nl
de
en
fr
es
pt
0 Artikel - €0,00
Mein Konto / Kundenkonto anlegen
Startseite
LADA-TEILE
Zubehör
Werkzeug
Universeel
Bolzen
Bolzen
Kappe
Schelle
Clip
Connector
Key
Mutter
Stopfen
Rivet
Schraube
Dichtring
Splint
Stift
Seegerring
Scheibe
A1. Motor
Motoraufhängung
Nockenwellenantrieb
Pleuel und Kolben
Zylinderblock
Ölwannenunterteil und Zylinderblockdeckel
Motorsteuerung
Kurbelwelle und Schwungrad
A2. Kraftstoffanlage
Kraftstofftank
Kraftstoffleitungen
Kraftstoffverdunstungs-Rückhaltesystem
Einbau der Kraftstoffpumpe
A3. Kraftstoffanlage
Gaspedalbetätigung
Luftfilter
Vergaser
Vergaserdeckel
Drosselklappenteil
Einstellschrauben für Leerlauf
Vergasergehäuse
Abgasreinigungsanlage
Drosselrkappenstutzen
A4. Abgasanlage
Ansaugrohr und Auslaßkrümmer
Auspuffröhre
A5. Schmieranlage
Ölabscheider und Ölfilter
Ölpumpe und Ölpumpenantrieb
A6. Kühlanlage
Kühler
Wasserpumpe und Rohrleitungen
Lüfter mit Elektromotor
B1. Kupplung
Kupplungsbetätigung
Kupplung
Kupplungsbetätigung
Kupplungshauptzylinder
Kupplungsausrückzylinder
B2. Schaltgetriebe
Betätigung für Gangschaltung
Schaltgetriebe
Gangschaltung
Geschwindigkeitsmesserantrieb
Vorgelegewelle des Schaltgetriebes
Rückwärtszahnräder
Eingangs- und Hauptwellen des Schaltgetriebes
Getrieberäder
B3. Gelenkwellen
Vordere Gelenkwelle
Gelenkwellenübertragung
B3. Verteilergetriebe
Differential Verteilergetriebe
Betätigung Verteilergetriebe
Verteilergetriebe
Verteilergetrieberäder
Steuerung Verteilergetriebe
B4. Hinterachse, Hinterachswellen und Ausgleichgetriebe
Hinterachsgetriebe und differential
Hinterachse und Achswellen
Differential
B5. Vorderradantrieb
Vorderachsgetriebe und –differential
Vorderachse
C. Bremsanlage
Lada Bremsbeläge und Bremsbacken
Feststellbremsbetätigung
Vorderradbremse
Bremssattel
Hinterradbremse
Hauptteile des Bremsantriebs
Hydraulikbremsen
Hinterradbremszylinder
Bremspedal
Druckreglerantrieb
Hauptbremszylinder
D1. Lenkung
Lenkung
Lenkgetriebe
Lenkgestänge
D2. Vorderradaufhängung
Lenker der Vorderradaufhängung
Stoßdämpfer und Querstabilisator
Vorderradaufhängung
D3. Hinterradaufhängung
Hinterradaufhängung
D4. Räder
Achsschenkel
Räder
E1. Heizung und Lüftung
Heizungs- und Lüftungsanlage
Heizgerät mit Bedienungselementen
Heizgerät
E2. Wascher
Windschutzscheibenwascher
Scheibenwischer
K1. Motorelektrik
Steuergeräte, elektronische
Zündverteiler
Zündschalter
Batterie
Zündbaustein und Zündkerzen
K1. Anlasser mit Generator
Generator mit Träger
Anlasser
Generator
K2. Beleuchtung
Vorderleuchten
Hinterbeleuchtung
Innenraumbeleuchtung
Vorderbeleuchtung und Hydro- Leuchtweitenregler
K3. Signale, Geräte, Schalter und Relais
Schalter
Signale
Relais
Zentralelektrik und Relais
Geräte
K4. Kabelstränge
Kabelstränge für Motorraum
Kabelsträngezubehör
M1. Innenraum
Rücksitz
Innenraumzubehör
Armaturenbrett
Bodenmatten
Vordersitze
Innenraumverkleidung
Wärmeisolation und Schalldämpfung
Handschuhfach
M2. Karosserie
Kofferraumdeckel
Innenteile, vorne
Motorhaube
Außenteile
Karosserieboden vorn
Karosserieboden hinter
Stirnwand
Seitenwand und Innenteile, hinten
Kühlerrahmen
M3. Türen und Fenster
Vordertürschlösser und -griffe
Vordertürfenster
Vordertüren
Hintertüren
Hintertürfenster
Hintertürschlösser und -griffe
Fenster
Fensterheber, Vordertür
Fensterheber, Hintertür
M4. Zierelemente
Zierauflagen
Stoßstange, vorne
Stoßstange, hinten
Kühlermaske
Schutzbleche und Dichtteile
T. Verschlußstopfen
Anordnung der Verschlußstopfen
LADA 2101 - 2102
1A1 Motor
1A002 Motoraufhaengung
1A101 Cylinderblock und Zylinderkopf
1A102 Kurbulgehaeuse unterteil und Zylinderkopfhauben
1A103 Kurbulwelle und Schwungrad
1A105 Pleuel und Kolben
1A105 1 Pleuel und Kolben
1A106 Nockenwellenantrieb
1A107 Motorsteurerung
1A2 Kraftstoffanlage und Abgasanlage
1A201 Kraftstoffbehaelter und leitung
1A201 1 Kraftstoffbehaelter und leitung
1A202 Kraftstoffpumpe und leitung
1A203 Kraftstoffpumpe
1A204 Vergaser und Luftfilter
1A206 Vergaserdeckel
1A207 Vergasergehaeuse
1A207 1 Vergasergehaeuse
1A207 2 Vergasergehaeuse
1A207 3 Vergasergehaeuse
1A208 Drosselklappenflansch
1A208 1 Drosselklappenflansch
1A209 Drosselklappenanheber
1A214 Einrichtung fur Reduzierung der Abgasgiftigkeit
1A215 Einrichtung fur Reduzierung der Abgasgiftigkeit
1A221 Gasbetaetigung
1A221/1 Gasbetaetigung RHD UK
1A222 Gasbetaetigung
1A254 Ansaugkrummer und Auspuffsammelrohr
1A255 Ansaugkrummer und Auspuffsammelrohr
1A256 Auspuffrohre und Schalldampfer
1A3 Schmieranlage des Motors
1A301 Schmieranlage
1A302 Olpumpe
1A4 Kuhlanlage des Motors
1A401 Kuhler
1A402 Wasserpumpe und leitungen
1A403 Wasserpumpe
1A409 Wasserpumpenantrieb
1B1 Kupplung
1B101 Kupplungsbetaetigung
1B101 1 Kupplungsbetaetigung
1B102 Kupplungsbetaetigung
1B103 Kupplungshauptzylinder
1B104 Kupplungsarbeitszylinder
1B105 Kupplung
1B2 Getriebe
1B201 Getriebe
1B204 Getriebewellen
1B205 Getrieberaeder
1B207 Gangschalthebel mit Zubehor
1B210 Gangschalteinrichtung
1B224 Tacho antrieb
1B224 1 Tacho antrieb
1B3 Gelenkwel und Kupplungen
1B301 Gelenkwellenubertragung
1B316 Gelenkwelle vorn
1B317 Gelenkwelle hinten
1B4 Hinterachse
1B401 Hinterachse und Achswellen
1B404 Achsantrieb und Ausgleichgetriebe
1C1 Bremsen
1C101 Bremspedal und Bremsantrieb
1C101 1 Bremspedal und Bremsantrieb
1C102 Bremsbestaetigung
1C102 1 Bremsbestaetigung
1C103 Hydraulische Bauelemente der Bremsen
1C104 Bremskraftreglerbetaetigung
1C106 Hauptbremszylinder
1C107 Radbremszylinder der hinteren Bremse
1C108 Unterdruckbremskraftverstaerker
1C110 Bremskraftregler
1C130 Vordere Bremsen
1C131 Bremstraeger der vorderen Bremse
1C132 Hintere Bremsen
1C135 Betaetigungselemente der Feststellbremse
1D2 Lenkung
1D201 Lenkung
1D202 Lenkgetriebe
1D210 Lenkgestaenge
1D3 Radaufhaengung Federung und Raeder
1D301 Vorderradaufhaengung und federung
1D302 Lenker der Vorderradaufhaengung
1D303 Stossdaempfer und Querstabilisator
1D305 Hinterachsaufhaengung und federung
1D305 1 Hinterachsaufhaengung und federung
1D306 Hinterachsaufhaengung und federung
1D306 1 Hinterachsaufhaengung und federung
1D310 Stossdaempfer der Vorraeder
1D310 1 Stossdaempfer der Vorraeder
1D311 Stossdaempfer der Hinterraeder
1D311 1 Stossdaempfer der Hinterraeder
1D314 Achsschenkel
1D316 Raeder
1E1. Heizung Luftung und Scheibenwaschanlangen
1E101 Luftung und Heizung
1E101 1 Luftung und Heizung
1E102 Heizanlage
1E103 Betaetingungselemente der Heizung und Luftung
1E104 Betaetingungselemente der Heizung und Luftung
1E107 Waschanlage fur Windschutzscheibe
1E107 1 Waschanlage fur Windschutzscheibe und Scheinwerfer
1E107 2 Waschanlage fur Windschutzscheibe
LADA SAMARA
A. Motor
B. Kraftuebertragung
C. Bremsanlage
D. Lenkung Aufhaengung und Raeder
E. Hilfseinrichtungen
K. Elektrik
M. Karosserie
Y. Werkzeug
T. Verschlussstopfen
LADA 110 SERIES
A. Motor
B. Kraftuebertragung
C. Bremsanlage
D. Lenkung Aufhaengung und Raeder
E. Hilfseinrichtungen
K. Elektrik
M. Karosserie
T. Verschlussstopfen
Y. Werkzeug
LADA-2107
7A1. Motor
C7 Motoraufhängung
C7 Zylinderblock
C7 Zylinderkopf
C7 Ölwannenunterteil und Zylinderblockdeckel
C7 Kurbelwelle und Schwungrad
C7 Pleuel und Kolben
C7 Nockenwellenantrieb
C7 Motorsteuerung
7A2. Kraftstoffanlage
C7 Kraftstofftank
C7 Kraftstoffleitungen
C7 Einbau der Kraftstoffpumpe
C7 Kraftstoffverdunstungs Rückhaltesystem
7A3. Kraftstoffanlage
C7 Luftfilter
C7 Vergaser
C7 Vergaserdeckel
C7 Vergasergehäuse
C7 Drosselklappenteil
C7 Einstellschrauben für Leerlauf
C7 Abgasreinigungsanlage
C7 Gaspedalbetätigung
C7 Luftansaugsystem
C7 Drosselrkappenstutzen
7A4. Abgasanlage
C7 Ansaugrohr und Auslaßkrümmer
C7 Ansaugrohr
C7 Sammelrohr
C7 Auslaßkrümmer
C7 Auspuffröhre R83
C7 Auspuffröhre E2
C7 Schalldämpfer
7A5. Schmieranlage
C7 Ölpumpe und Ölpumpenantrieb
C7 Ölabscheider und Ölfilter
C7 Ölpumpe
7A6. Kühlanlage
C7 Kühler
C7 Lüfter mit Elektromotor
C7 Wasserpumpe und Rohrleitungen
C7 Kühlmittelleitungen
C7 Wasserpumpe
C7 Wasserpumpenantrieb
7B1. Kupplung
C7 Kupplungsbetätigung
C7 Kupplungsbetätigung
C7 Kupplungshauptzylinder
C7 Kupplungsausrückzylinder
C7 Kupplung
7B2. Schaltgetriebe
C7 Schaltgetriebe
C7 Eingangs und Hauptwellen des Schaltgetriebes
C7 Vorgelegewelle des Schaltgetriebes
C7 Getrieberäder
C7 Rückwärtszahnräder
C7 Betätigung für Gangschaltung
C7 Gangschaltung
C7 Geschwindigkeitsmesserantrieb
7B3. Gelenkwellen
C7 Gelenkwellenübertragung
C7 Vordere Gelenkwelle
C7 Hintere Gelenkwelle
7B4. Hinterachse, Hinterachswellen und Ausgleichgetriebe
C7 Hinterachse und Achswellen
C7 Hinterachsgetriebe und –differential
C7 Differential
7C. Bremsanlage
C7 Bremspedal
C7 Hauptteile des Bremsantriebs
C7 Hydraulikbremsen
C7 Druckreglerantrieb
C7 Hauptbremszylinder
C7 Hinterradbremszylinder
C7 Feststellbremsbetätigung
C7 Vorderradbremse
C7 Bremssattel
C7 Hinterradbremse
7D1. Lenkung
C7 Lenkung
C7 Lenkgetriebe
C7 Lenkgestänge
7D2. Vorderradaufhängung
C7 Vorderradaufhängung
C7 Lenker der Vorderradaufhängung
C7 Stoßdämpfer und Querstabilisator
7D3. Hinterradaufhängung
C7 Hinterradaufhängung
C7 Hinterradaufhängung D301
7D4. Räder
C7 Achsschenkel
C7 Räder
7E1. Heizung und Lüftung
C7 Heizungs und Lüftungsanlage
C7 Heizgerät mit Bedienungselementen
C7 Heizgerät
7E2. Wascher
C7 Windschutzscheibenwascher
C7 Scheibenwischer
7K1. Motorelektrik
C7 Zündverteiler und Zündspule
C7 Zündschalter
C7 Zündverteiler
C7 Zündbaustein und Zündkerzen
C7 Batterie
7K1. Anlasser mit Generator
C7 Anlasser
C7 Generator mit Träger
C7 Generator
7K2. Beleuchtung
C7 Vorderbeleuchtung und Hydro Leuchtweitenregler
C7 Vorderleuchten
C7 Innenraumbeleuchtung
C7 Hinterbeleuchtung
C7 Heckleuchten
7K3. Signale, Geräte, Schalter und Relais
C7 Signale
C7 Geräte
C7 Schalter
C7 Zentralelektrik und Relais
C7 Relais
7K4. Kabelstränge
C7 Kabelstränge für Motorraum
C7 Kabelstränge für Innenraum
C7 Kabelsträngezubehör
7M1. Innenraum
C7 Vordersitze
C7 Einstellung der Vordersitze
C7 Wärmeisolation und Schalldämpfung
C7 Bodenmatten
C7 Innenraumverkleidung
C7 Kofferraumauskleidung
C7 Innenraumzubehör
C7 Armaturenbrett
C7 Handschuhfach
7M2. Karosserie
C7 Motorhaube
C7 Karosserieboden vorn
C7 Karosserieboden hinter
C7 Innenteile, vorne
C7 Stirnwand
C7 Kühlerrahmen
C7 Schutzbleche
C7 Seitenwand und Innenteile, hinten
C7 Außenteile
C7 Kofferraumdeckel
7M3. Türen und Fenster
C7 Vordertüren
C7 Hintertüren
C7 Vordertürschlösser und griffe
C7 Hintertürschlösser und griffe
C7 Vordertürfenster
C7 Hintertürfenster
C7 Fensterheber, Vordertür
C7 Fensterheber, Hintertür
C7 Fenster
7M4. Zierelemente
C7 Kühlermaske
C7 Schutzbleche und Dichtteile
C7 Zierauflagen
C7 Stoßstange, vorne
C7 Rear bumper
7T. Verschlußstopfen
C7 Anordnung der Verschlußstopfen
LADA-NIVA
N3A1. Motor
N3 Motoraufhängung
N3 Zylinderblock
N3 Zylinderkopf
N3 Ölwannenunterteil
N3 Kurbelwelle und Schwungrad 1700
N3 Kurbelwelle und Schwungrad 1600
N3 Pleuel und Kolben 1700
N3 Pleuel und Kolben 1600
N3 Nockenwellenantrieb
N3 Nockenwellenantrieb MPFI
N3 Ventieltrieb
N3 Ventieltrieb MPFI
N3A2. Kraftstoffversorgungsanlage
N3 Kraftstofftank CARB
N3 Kraftstofftank TBI
N3 Kraftstofftank MPFI >>> 10-2003
N3 Kraftstofftank MPFI 10-2003 >>>
N3 Kraftstoffleitungen CARB
N3 Kraftstoffleitungen TBI
N3 Kraftstoffleitungen MPFI
N3 Kraftstoffleitungen MPFI euro-3
N3 Einbau der Kraftstoffpumpe CARB
N3 Tankentlüftungsanlage CARB
N3 Tankentlüftungsanlage 1700 CARB
N3 Tankentlüftungsanlage 1600
N3 Tankentlüftungsanlage TBI-MPFI
N3 Tankentlüftungsanlage MPFI
N3A3. Kraftstoffanlage
N3 Luftfilter CARB 2121
N3 Luftfilter CARB 21213
N3 Luftfilter CARB >>> 03-1999
N3 Luftfilter TBI
N3 Luftfilter MPFI
N3 Vergaser 1600
N3 Vergaser 1700-1600BRAZIL
N3 Vergaserdeckel
N3 Vergasergehäuse 2
N3 Abgasreinigungsanlage TBI
N3 Gaspedalbetätigung CARB
N3 Gaspedalbetätigung CARB-RHD
N3 Gaspedalbetätigung TBI-MPFI
N3 Gaspedalbetätigung TBI-RHD
N3 Luftansauglsystem MPFI
N3 Stutzen mit der Drosselrkappe MPFI
N3 Kraftstoffleiste MPFI
N3A4. Abgasanlage
N3 Ansaugrohr und Auslaßkrümmer CARB
N3 Ansaugrohr und Auslaßkrümmer TBI
N3 Ansaugrohr MPFI
N3 Sammelrohr MPFI
N3 Auslaßkrümmer MPFI
N3 Abgasrückführungsventil CARB 1600
N3 Abgasrückführungsventil CARB 1700
N3 Abgasrückführung CARB
N3 Abgasrückführung CARB 1600
N3 Auspuffröhre ohne Katalysator CARB 1700
N3 Auspuffröhre mit Katalysator 1600
N3 Auspuffröhre mit Katalysator MPFI
N3 Schalldämpfer
N3A5. Schmieranlage
N3 Ölpumpe und Ölpumpenantrieb
N3 Ölabscheider und Ölfilter CARB-TBI
N3 Ölabscheider und Ölfilter MPFI
N3 Ölpumpe
N3A6. Kühlanlage
N3 Kühler und Ausdehnungsbehälter CARB
N3 Kühler und Ausdehnungsbehälter TBI
N3 Kühler und Ausdehnungsbehälter MPFI
N3 Wasserpumpe und Rohrleitungen
N3 Wasserpumpe
N3 Wasserpumpenantrieb
N3B1. Kupplung
N3 Kupplungsbetätigung
N3 Kupplungs-Hydraulik
N3 Kupplungshauptzylinder
N3 Kupplungsausrückzylinder
N3 Kupplung 1700
N3 Kupplung 1600
N3B2. Schaltgetriebe
N3 Schaltgetriebe
N3 Eingangs- und Hauptwellen des Schaltgetriebes
N3 Vorgelegewelle des Schaltgetriebes
N3 Getrieberäder
N3 Rückwärtszahnräder
N3 Gangschaltung-Gestänge
N3 Gangschaltung
N3 Tachometerantrieb CARB
N3 Tachometerantrieb TBI-MPFI
N3B3. Verteilergetriebe
N3 Verteilergetriebe
N3 Verteilergetriebe 2
N3 Verteilergetrieberäder
N3 Differential Verteilergetriebe
N3 Betätigung Verteilergetriebe
N3 Steuerung Verteilergetriebe
N3B4. Antrieb der Achsen
N3 Antrieb der Verteilergetriebe und der Achsen
N3 Kardan-Zwischenwelle
N3 Kardanwellen
N3 Vorderradantrieb
N3B5. Achsen
N3 Vorderachse
N3 Achsgetriebegehäuse und –deckel
N3 Vorderachsgetriebe und –differential
N3 Hinterachse und Achswellen
N3 Hinterachsgetriebe und –differential
N3 Differential
N3C. Bremsanlage
N3 Bremspedal
N3 Hauptteile des Bremsantriebs
N3 Hauptteile des Bremsantriebs RHD BB2103
N3 Antrieb der Hydraulikbremse
N3 Antrieb der Hydraulikbremse RHD
N3 Druckreglerantrieb
N3 Hauptbremszylinder
N3 Hauptbremszylinder RHD BB2103
N3 Hinterradbremszylinder
N3 Druckregler
N3 Feststellbremsbetätigung
N3 Unterdruck-Bremskraftverstärker RHD BB2103
N3 Bremsbackenträger
N3 Hauptteile der Vorderbremsen
N3 Hinterradbremse
N3D1. Lenkung
N3 Lenksäule 2107 SW >>> 02-1997
N3 Lenksäule >>> 01-1999
N3 Lenksäule AIRBAG >>> 01-1999
N3 Lenksäule 01-1999 >>>
N3 Lenksäule AIRBAG 01-1999 >>>
N3 Lenkgetriebe
N3 Lenkgestänge
N3D2. Vorderradaufhängung
N3 Obere Hebel
N3 Untere Hebel
N3 Querträger der Vorderradaufhängung
N3 Stossdämpfer und Querstabilisator
N3 Stossdämpfer vorne
N3D3. Hinterradaufhängung
N3 Hinterradaufhängung
N3 Hinterradaufhängung Stossdämpfer
N3 Stossdämpfer hinten
N3D4. Räder
N3 Achsschenkel und Naben
N3 Räder
N3E1. Klimaanlage
N3 Heizungs- und Lüftungsanlage
N3 Heizgerät
N3 Steuerung für Heizung und Lüftung
N3E2. Wascher
N3 Windschutzscheibenwäscher
N3 Windschutzscheibenwäscher MPFI
N3 Windschutzscheiben- und Scheinwerferwäscher
N3 Windschutzscheiben- und Scheinwerferwäscher MPFI
N3 Heckscheibenwäscher
N3 Wischer
N3 Heckscheibenwischer
N3K1. Motorelektrik
N3 Zündanlage CARB
N3 Zündanlage TBI
N3 Zündanlage MPFI
N3 Steuergeräte, elektronische CARB
N3 Steuergeräte, elektronische TBI
N3 Steuergeräte, elektronische MPFI
N3 Zündschalter
N3 ZündverteilerCARB
N3 ZündmoduleTBI-MPFI
N3 Batterie
N3 Anlasser mit Träger
N3 Anlasser
N3 Generator mit Träger CARB
N3 Generator mit Träger TBI-MPFI
N3 Generator CARB-A
N3 Generator CARB-B
N3K2. Beleuchtung
N3 Vordere Leuchtgeräte
N3 Leuchtweitenregler
N3 Innenraumbeleuchtung
N3 Hintere Leuchtgeräte
N3K3. Zubehör
N3 Signale
N3 Instrumente und Aufhellung
N3 Schalter
N3 Zentralelektrik und Relais
N3 Relais
N3K4. Kabelstränge
N3 Kabelstränge für Motorraum
N3 Kabelstränge für Tafelgeraete
N3 Kabelsträngezubehör
N3M1. Innenraum
N3 Vordersitze
N3 Vorderes Sitzbefestigungsmechanismus
N3 Rücksitze
N3 Wärmeisolation und Schalldämpfung
N3 Bodenmatten
N3 Innenraumverkleidung
N3 Innenraumzubehör und Rückblinkspiegel
N3 Armaturenbrett >>> 04-2000
N3 Armaturenbrett 04-2000 >>>
N3 Handschuhfach >>> 04-2000
N3 Handschuhfach 04-2000 >>>
N3M2. Hauptteile der Karosserie
N3 Motorhaube
N3 Karosserieboden-Gerippe
N3 Vorbau
N3 Seitenwand und Boden hinten
N3 Außenteile
N3M3. Türen und Fenster
N3 Vordertüren
N3 Vordertürschlösser und -griffe
N3 Vordertürscheiben 02-1999 >>>
N3 Vordertürscheiben >>> 02-1999
N3 Fensterheber, vorne 02-1999 >>>
N3 Fensterheber, vorne >>> 02-1999
N3 Fenster
N3 Heckklappe
N3M4. Zierelemente
N3 Kühlermaske
N3 Schutzbleche und Dichtteile CARB
N3 Schutzbleche und Dichtteile TBI-MPFI
N3 Zierauflagen
N3 Stoßstange, vorne
N3 Stoßstange, hinten
N3TY. Verschlussstopfen und Werkzeug
N3 Anordnung der Verschlußstopfen
N3 Fahrerwerkzeug
LADA-Merchandise
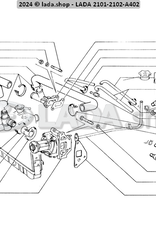
2101-1303090, Kühlerschlauch
Startseite
/
Schlagworte
/
0000-1007680607
/
2101-1303090, Kühlerschlauch
€6,19
* Preis zzgl. MwSt.: €5,12 / piece
* Inkl. MwSt. zzgl.
Versandkosten
+
-
Zum Warenkorb hinzufügen
Informationen
Artikelnummer::
11842
Verfügbarkeit:
Auf Lager
no: 16
2107-a610
wasserpumpe-und-rohrleitungen
no: 4
2107-a611
kuehlmittelleitungen
Ihre Bewertung hinzufügen
0
Sterne, basierend auf
0
Bewertungen
2101-1303090
/
COOLING
/
Lada
/
LINES
/
SYSTEM
/
Original LADA
Zur Wunschliste hinzufügen
/
Zum Vergleich hinzufügen
/
Drucken
zzgl.
Versandkosten