nl de en fr es pt
0 Itens - €0,00 A minha conta / Registar
    Menu
LADA.shop a loja web para as peças originais Lada
  • Página inicial
  • Peças-LADA
    • Acessórios
    • ferramentas
    • Universal
      • Parafuso
      • Lampada
      • Tampao De Extremidade
      • Bracadeira
      • Grampo
      • Conector
      • Chave
      • Porca
      • Porca
      • Rebite
      • Parafuso
      • Anel De Vedacao
      • Pino
      • Espargos
      • Anel De Vedacao
      • Arruela
    • A1. motor
      • Montagem de motor
      • Unidade do eixo de cames
      • Bielas e pistões
      • Bloco de cilindro
      • Tampas de óleo do cárter e bloco
      • Trem de válvula
      • Virabrequim e volante
    • A2. Sistema de combustível
      • Tanque de combustível
      • Linhas de combustível
      • Sistema de controle de emissões por evaporação
      • Montagem de bomba de combustível
    • A3. Sistema de abastecimento de ar/combustível
      • Unidade de acionamento do acelerador
      • Purificador de ar
      • Carburador
      • Tampa de carburador
      • Carcaça de válvula do regulador de pressão
      • Parafusos de ajuste para funcionamento ocioso
      • Corpo de carburador
      • Sistema de controle de emissões
      • Colector de regulador de pressão
    • A4. Sistema de exaustão
      • Manifold de admissão e escape
      • Tubos de escape
    • A5. Sistema de lubrificação
      • Separador de óleo e óleo mais limpo
      • Bomba de óleo e sua movimentação
    • A6. Sistema de arrefecimento
      • Radiador
      • Linhas e bomba de água
      • Ventilador elétrico
    • B1. Embreagem
      • Mecanismo de controle de embreagem
      • Embreagem
      • Disco de embreagem
      • Cilindro de embreagem principal
      • Cilindro de unidade de liberação de embreagem
    • B2. Caixa de velocidades
      • Unidade de efetuar
      • Caixa de velocidades
      • Mecanismo de efetuar
      • Unidade de engrenagem do velocímetro de carro
      • Eixo intermediário da caixa de engrenagens
      • Marcha atrás
      • Caixa de velocidades de entrada e saída de eixos
      • Engrenagens da caixa de engrenagens
    • B3. Eixos de hélice
      • Eixo de hélice dianteiro
      • Movimentação de eixo de hélice
    • B3. Caixa de transferência
      • Caixa de transferência diferencial
      • Transferência de caixa-controle
      • Caixa de transferência
      • Engrenagens de caixa de transferência
      • Mecanismo de caixa de transferência
    • B4. O eixo traseiro, eixo eixos e engrenagem diferencial
      • Diferencial e redutor de eixo traseiro
      • Eixo traseiro e eixo eixos
      • Diferencial
    • B5. Front wheel drive
      • Diferencial e redutor de eixo dianteiro
      • Eixo dianteiro
    • C. Sistema de freio
      • Pastilhas e calcos de travao Lada
      • Disco de freio de estacionamento
      • Freios dianteiros
      • Pinças de freios dianteiros
      • Freios traseiros
      • Componentes da unidade de freio
      • Unidade de freios hidráulicos
      • Cilindro de roda do freio traseiro
      • Pedal de freio
      • Atuador do regulador de pressão
      • Cilindro de freio principal
    • D1. Sistema de direção
      • Mecanismo de direção
      • Redutor de mecanismo de direção
      • Enlace de direção
    • D2. Suspensão dianteira
      • Triângulos de suspensão dianteira
      • Absorventes de choque e os eliminadores do balanço
      • Suspensão dianteira
    • D3. Suspensão traseira
      • Suspensão traseira
    • D4. Rodas
      • Direção de knuckles
      • Rodas
    • E1. Ventilação e aquecimento de interiores
      • Sistema de aquecimento e ventilação
      • Aquecedor com controles
      • Aquecedor
    • E2. Limpeza/lavagem
      • Para-brisas
      • Limpa para-brisas
    • K1. Equipamento elétrico do motor
      • Módulos de controle eletrônico
      • Distribuidor de ignição
      • Interruptor de ignição
      • Bateria
      • Módulo de ignição e velas de ignição
    • K1. Motor de arranque e Alternador
      • Alternador e dispositivos
      • motor de arranque
      • Alternador
    • K2. Sistema de iluminação
      • Faróis
      • Lanternas traseiras
      • Iluminação interior
      • Farol e ajuste de raio hidráulico
    • K3. Avisadores, Instrumentos, Interruptores e relé
      • Interruptores
      • Avisadores
      • Relés
      • Bloco de fusível e relé
      • Instrumentos
    • K4. Cablagens
      • Chicote de fios do compartimento do motor
      • Acessórios de chicote de fios do fio
    • M1. Interior do carrocería
      • Assento traseiro
      • Acessórios interiores
      • Painel de instrumentos
      • Tapetes
      • Assentos dianteiros
      • Guarnição interior
      • Isolação térmica - e ruído
      • Caixa de luva
    • M2. Carrocería
      • Tampa do porta-malas
      • Componentes internos da frente
      • Hood
      • Painéis de carroçaria
      • Chão da frente da carroçaria
      • Chão de corpo traseiro
      • Capuz de placa do traço
      • Lado do corpo e estrutura traseira
      • Quadro do radiador
    • M3. Portas e janelas
      • Puxadores e fechaduras de porta
      • Porta janelas
      • Portas da frente
      • Portas traseiras
      • Janelas de porta traseira
      • Fechaduras de porta traseira e alças
      • Windows
      • Levantadores de janela, portas da frente
      • Levantadores de janela, portas traseiras
    • M4. Componentes da guarnição
      • Elementos da guarnição
      • Para-choque dianteiro
      • Amortecedor traseiro
      • Guarnição de radiador
      • Capa e selos
    • T. plugues
      • Layout de plugues
  • LADA 2101 - 2102
    • 1A1 Motor
      • 1A002 Montagem do motor
      • 1A101 Bloco cilindrico e cabeca
      • 1A102 Tampas de carter de oleo e blocos de cilindros
      • 1A103 Virabrequim e volante
      • 1A105 Bielas e pistoes de ligacao
      • 1A105 1 Bielas e pistoes de ligacao
      • 1A106 Transmissao por eixo de cames
      • 1A107 Valvula de engrenagem
    • 1A2 Sistema de combustivel e escape
      • 1A201 Deposito e linha de combustivel
      • 1A201 1 Deposito e linha de combustivel
      • 1A202 Bomba e linha de combustivel
      • 1A203 Bomba de combustivel
      • 1A204 Carburador e filtro de ar
      • 1A206 Cobertura do carburador
      • 1A207 Carcaca do carburador
      • 1A207 1 Carcaca do carburador
      • 1A207 2 Carcaca do carburador
      • 1A207 3 Carcaca do carburador
      • 1A208 Involucro da valvula de acelerador
      • 1A208 1 Involucro da valvula de acelerador
      • 1A209 Abridor de acelerador
      • 1A214 Sistema de controlo de toxicidade
      • 1A215 Sistema de controlo de toxicidade
      • 1A221 Controlos de estrangulamento
      • 1A221 1 Controlos de estrangulamento RHD UK
      • 1A222 Controlos de estrangulamento
      • 1A254 Colectores de admissao e de escape
      • 1A255 Colectores de admissao e de escape
      • 1A256 Tubos de exaustao e silenciadores
    • 1A3 Sistema de lubrificacao de motores
      • 1A301 Sistema de lubrificacao
      • 1A302 Bomba de oleo
    • 1A4 Sistema de arrefecimento do motor
      • 1A401 Radiador
      • 1A402 Bomba e tubagem de agua
      • 1A403 Bomba de agua
      • 1A409 Acionamento da bomba de agua
    • 1B1 Embraiagem
      • 1B101 Mecanismo de controlo da embraiagem
      • 1B101 1 Mecanismo de controlo da embraiagem
      • 1B102 Tubagem de controlo da embraiagem
      • 1B103 Cilindro mestre de embreagem
      • 1B104 Cilindro de funcionamento da embreagem
      • 1B105 Embraiagem
    • 1B2 Caixa de velocidades
      • 1B201 Caixa de velocidades
      • 1B204 Eixos de caixas de velocidades
      • 1B205 Engrenagens de caixa de velocidades
      • 1B207 Controlo da mudanca de velocidades
      • 1B210 Mecanismo de mudanca de velocidades
      • 1B224 Accionamento do velocimetro
      • 1B224 1 Accionamento do velocimetro
    • 1B3 Veios e acoplamentos de helices
      • 1B301 Accionamento do eixo da helice
      • 1B316 Eixo da helice frontal
      • 1B317 Eixo da helice traseira
    • 1B4 Eixo traseiro
      • 1B401 Eixo e veios traseiros
      • 1B404 Traccao final e diferencial
    • 1C1 Travoes
      • 1C101 Pedal de travao e ligacao
      • 1C101 1 Pedal de travao e ligacao
      • 1C102 Mecanismo de controlo de travagem
      • 1C102 1 Mecanismo de controlo de travagem
      • 1C103 Sistema de travagem hidraulico
      • 1C104 Ligacao do regulador de pressao
      • 1C106 Cilindro mestre do travao
      • 1C107 Cilindro de travao da roda traseira
      • 1C108 Reforco do travao a vacuo
      • 1C110 Regulador de pressao de travagem
      • 1C130 Travoes dianteiros
      • 1C131 Pinca de travao dianteira
      • 1C132 Travoes traseiros
      • 1C135 Ligacao do controlo do travao de mao
    • 1D2 Aparelho de direccao
      • 1D201 Mecanismo de direccao
      • 1D202 Unidade de reducao da direccao
      • 1D210 Ligacao da direccao
    • 1D3 Suspensao e rodas
      • 1D301 Suspensao frontal
      • 1D302 Suspensao dianteira com ossos
      • 1D303 Amortecedores e eliminador de oscilacao
      • 1D305 Suspensao traseira
      • 1D305 1 Suspensao traseira
      • 1D306 Suspensao traseira
      • 1D306 1 Suspensao traseira
      • 1D310 Amortecedor de choque frontal
      • 1D310 1 Amortecedor de choque frontal
      • 1D311 Amortecedor de choque traseiro
      • 1D311 1 Amortecedor de choque traseiro
      • 1D314 Manipulo de direccao
      • 1D316 Rodas
    • 1E1. Ventiladores e lavadores
      • 1E101 Ventilacao e sistema de aquecimento
      • 1E101 1 Ventilacao e sistema de aquecimento
      • 1E102 Aquecedor
      • 1E103 Controlos de ventilacao e aquecimento
      • 1E104 Controlos de ventilacao e aquecimento
      • 1E107 Lavador de para-brisas
      • 1E107 1 Para-brisas e lava-farois
      • 1E107 2 WIndshield lavadora de vidros
  • LADA SAMARA
    • A. Motor
    • B. Grupo motopropulsor
    • C. Sistema de travagem
    • D. Sistema de direcao Suspensao e rodas
    • E. Equipamento de conforto e conveniencia
    • K. Equipamento eletrico
    • M. Carrocaria
    • Y. Ferramentas
    • T. Tampoes
  • LADA 110 SERIES
    • A. Motor
    • B. Grupo motopropulsor
    • C. Sistema de travagem
    • D. Sistema de direcao Suspensao e rodas
    • E. Equipamento de conforto e conveniencia
    • K. Equipamento eletrico
    • M. Carrocaria
    • T. Tampoes
    • Y. Ferramentas
  • LADA-2107
    • 7A1. motor
      • C7 Montagem de motor
      • C7 Bloco de cilindro
      • C7 Cabeça do bloco de cilindro
      • C7 Tampas de óleo do cárter e bloco
      • C7 Virabrequim e volante
      • C7 Bielas e pistões
      • C7 Unidade do eixo de cames
      • C7 Trem de válvula
    • 7A2. Sistema de combustível
      • C7 Tanque de combustível
      • C7 Linhas de combustível
      • C7 Montagem de bomba de combustível
      • C7 Sistema de controle de emissões por evaporação
    • 7A3. Sistema de abastecimento de ar/combustível
      • C7 Purificador de ar
      • C7 Carburador
      • C7 Tampa de carburador
      • C7 Corpo de carburador
      • C7 Carcaça de válvula do regulador de pressão
      • C7 Parafusos de ajuste para funcionamento ocioso
      • C7 Sistema de controle de emissões
      • C7 Unidade de acionamento do acelerador
      • C7 Sistema de abastecimento de ar
      • C7 Colector de regulador de pressão
    • 7A4. Sistema de exaustão
      • C7 Manifold de admissão e escape
      • C7 Colector de admissão
      • C7 Receptor
      • C7 Colector de escape
      • C7 Tubos de escape R83
      • C7 Tubos de escape E2
      • C7 Silenciosos
    • 7A5. Sistema de lubrificação
      • C7 Bomba de óleo e sua movimentação
      • C7 Separador de óleo e óleo mais limpo
      • C7 Bomba de óleo
    • 7A6. Sistema de arrefecimento
      • C7 Radiador
      • C7 Ventilador elétrico
      • C7 Linhas e bomba de água
      • C7 Linhas do sistema de arrefecimento
      • C7 Bomba de água
      • C7 Unidade de bomba de água
    • 7B1. Embreagem
      • C7 Mecanismo de controle de embreagem
      • C7 Disco de embreagem
      • C7 Cilindro de embreagem principal
      • C7 Cilindro de unidade de liberação de embreagem
      • C7 Embreagem
    • 7B2. Caixa de velocidades
      • C7 Caixa de velocidades
      • C7 Caixa de velocidades de entrada e saída de eixos
      • C7 Eixo intermediário da caixa de engrenagens
      • C7 Engrenagens da caixa de engrenagens
      • C7 Marcha atrás
      • C7 Unidade de efetuar
      • C7 Mecanismo de efetuar
      • C7 Unidade de engrenagem do velocímetro de carro
    • 7B3. Eixos de hélice
      • C7 Movimentação de eixo de hélice
      • C7 Eixo de hélice dianteiro
      • C7 Eixo de hélice traseira
    • 7B4. O eixo traseiro, eixo eixos e engrenagem diferencial
      • C7 Eixo traseiro e eixo eixos
      • C7 Diferencial e redutor de eixo traseiro
      • C7 Diferencial
    • 7C. Sistema de freio
      • C7 Pedal de freio
      • C7 Componentes da unidade de freio
      • C7 Unidade de freios hidráulicos
      • C7 Atuador do regulador de pressão
      • C7 Cilindro de freio principal
      • C7 Cilindro de roda do freio traseiro
      • C7 Disco de freio de estacionamento
      • C7 Freios dianteiros
      • C7 Pinças de freios dianteiros
      • C7 Freios traseiros
    • 7D1. Sistema de direção
      • C7 Mecanismo de direção
      • C7 Redutor de mecanismo de direção
      • C7 Enlace de direção
    • 7D2. Suspensão dianteira
      • C7 Suspensão dianteira
      • C7 Triângulos de suspensão dianteira
      • C7 Absorventes de choque e os eliminadores do balanço
    • 7D3. Suspensão traseira
      • C7 Suspensão traseira
      • C7 Suspensão traseira D301
    • 7D4. Rodas
      • C7 Direção de knuckles
      • C7 Rodas
    • 7E1. Ventilação e aquecimento de interiores
      • C7 Sistema de aquecimento e ventilação
      • C7 Aquecedor com controles
      • C7 Aquecedor
    • 7E2. Limpeza/lavagem
      • C7 Para brisas
      • C7 Limpa para brisas
    • 7K1. Equipamento elétrico do motor
      • C7 Bobina de ignição e distribuidor
      • C7 Interruptor de ignição
      • C7 Distribuidor de ignição
      • C7 Módulo de ignição e velas de ignição
      • C7 Bateria
    • 7K1. Motor de arranque e Alternador
      • C7 motor de arranque
      • C7 Alternador e dispositivos
      • C7 Alternador
    • 7K2. Sistema de iluminação
      • C7 Farol e ajuste de raio hidráulico
      • C7 Faróis
      • C7 Iluminação interior
      • C7 Lanternas traseiras
      • C7 Lanternas traseiras
    • 7K3. Avisadores, Instrumentos, Interruptores e relé
      • C7 Avisadores
      • C7 Instrumentos
      • C7 Interruptores
      • C7 Bloco de fusível e relé
      • C7 Relés
    • 7K4. Cablagens
      • C7 Chicote de fios do compartimento do motor
      • C7 Chicote de fios do compartimento de passageiros
      • C7 Acessórios de chicote de fios do fio
    • 7M1. Interior do carrocería
      • C7 Assentos dianteiros
      • C7 Mecanismo de ajuste de bancos da frente
      • C7 Isolação térmica e ruído
      • C7 Tapetes
      • C7 Guarnição interior
      • C7 Forro do porta malas
      • C7 Acessórios interiores
      • C7 Painel de instrumentos
      • C7 Caixa de luva
    • 7M2. Carrocería
      • C7 Hood
      • C7 Chão da frente da carroçaria
      • C7 Chão de corpo traseiro
      • C7 Componentes internos da frente
      • C7 Capuz de placa do traço
      • C7 Quadro do radiador
      • C7 Protetores de respingo de roda
      • C7 Lado do corpo e estrutura traseira
      • C7 Painéis de carroçaria
      • C7 Tampa do porta malas
    • 7M3. Portas e janelas
      • C7 Portas da frente
      • C7 Portas traseiras
      • C7 Puxadores e fechaduras de porta
      • C7 Fechaduras de porta traseira e alças
      • C7 Porta janelas
      • C7 Janelas de porta traseira
      • C7 Levantadores de janela, portas da frente
      • C7 Levantadores de janela, portas traseiras
      • C7 Windows
    • 7M4. Componentes da guarnição
      • C7 Guarnição de radiador
      • C7 Capa e selos
      • C7 Elementos da guarnição
      • C7 Para choque dianteiro
      • C7 Rear bumper
    • 7T. plugues
      • C7 Layout de plugues
  • LADA-NIVA
    • N3A1. Motor
      • N3 Montagem de motor
      • N3 Bloco de cilindro
      • N3 Cabeça do bloco de cilindro
      • N3 Cárter de óleo
      • N3 Virabrequim e volante 1700
      • N3 Virabrequim e volante 1600
      • N3 Bielas e pistões 1700
      • N3 Bielas e pistões 1600
      • N3 Unidade do eixo de cames
      • N3 Unidade do eixo de cames Multipoint
      • N3 Trem de válvula
      • N3 Trem de válvula Multipoint
    • N3A2. Sistema de combustível
      • N3 Tanque de combustível CARB
      • N3 Tanque de combustível, TBI
      • N3 Tanque de combustível Multipoint >>> 10-2003
      • N3 Tanque de combustível Multipoint 10-2003 >>>
      • N3 Linhas de combustível CARB
      • N3 Linhas de combustível, TBI
      • N3 Linhas de combustível Multipoint
      • N3 Linhas de combustível Multipoint euro-3
      • N3 Bomba de combustível, Carburador de montagem
      • N3 Sistema de controle de emissões por evaporação CARB
      • N3 Sistema de controle de emissões por evaporação 1700 CARB
      • N3 1600, sistema de controle de emissões por evaporação
      • N3 Sistema de controle de emissões por evaporação TBI-Multipoint
      • N3 Sistema de controle de emissões por evaporação Multipoint
    • N3A3. Sistema de abastecimento de ar
      • N3 filtro de ar CARB 2121
      • N3 filtro de ar CARB 21213
      • N3 filtro de ar CARB >>> 03-1999
      • N3 filtro de ar TBI ar
      • N3 filtro de ar Multipoint
      • N3 Carburador 1600
      • N3 Carburador 1700-1600BRAZIL
      • N3 Tampa de carburador
      • N3 Corpo do carburador 2
      • N3 Sistema de controle de emissões TBI
      • N3 Unidade de acionamento do acelerador CARB
      • N3 Unidade de acionamento do acelerador CARB-RHD
      • N3 Unidade de acionamento do acelerador TBI-Multipoint
      • N3 Unidade de acionamento do acelerador TBI-RHD
      • N3 Sistema de abastecimento de ar Multipoint
      • N3 Throttle distribuidor Multipoint
      • N3 InjectorsMPFI e trilho de combustíveis
    • N3A4. Sistema de exaustão
      • N3 Entrada e saída de manifold CARB
      • N3 Entrada e saída de manifold TBI
      • N3 Multipoint colector de admissão
      • N3 Receptor Multipoint
      • N3 Multipoint distribuidor da exaustão
      • N3 Válvula EGR Carburador 1600
      • N3 Válvula EGR CARB 1700
      • N3 Sistema de controle EGR CARB
      • N3 Sistema de controle EGR Carburador 1600
      • N3 Tubos de escape sem catalisador CARB 1700
      • N3 Tubos de escape com catalisador 1600
      • N3 Tubos de escape com catalisador Multipoint
      • N3 Silenciadores
    • N3A5. Sistema de lubrificação
      • N3 Bomba de óleo e sua movimentação
      • N3 Separador de óleo e líquido de limpeza TBI-CARB de óleo
      • N3 Separador de óleo e óleo mais limpo Multipoint
      • N3 Bomba de óleo
    • N3A6. Sistema de arrefecimento
      • N3 Radiador e expansão tanque CARB
      • N3 Tanque de expansão e radiador TBI
      • N3 Tanque de expansão e radiador Multipoint
      • N3 Linhas e bomba de água
      • N3 Bomba de água
      • N3 Unidade de bomba de água
    • N3B1. Embreagem
      • N3 Mecanismo de controle de embreagem
      • N3 Disco de embreagem
      • N3 Cilindro de embreagem principal
      • N3 Cilindro de liberação de embreagem
      • N3 Embreagem 1700
      • N3 Embreagem 1600
    • N3B2. Caixa de velocidades
      • N3 Caixa de velocidades
      • N3 Caixa de velocidades de entrada e saída de eixos
      • N3 Eixo intermediário da caixa de engrenagens
      • N3 Engrenagens da caixa de engrenagens
      • N3 Marcha atrás
      • N3 Unidade de efetuar
      • N3 Mecanismo de efetuar
      • N3 Unidade de velocímetro CARB
      • N3 Unidade de velocímetro TBI-Multipoint
    • N3B3. Caixa de transferência
      • N3 Caixa de transferência
      • N3 Caixa de transferência 2
      • N3 Engrenagens de caixa de transferência
      • N3 Caixa de transferência diferencial
      • N3 Transferência de caixa-controle
      • N3 Mecanismo de caixa-controle de transferência
    • N3B4. Rodas motrizes
      • N3 Transferir o caso e eixo rígido
      • N3 Layshaft
      • N3 Eixos de hélice
      • N3 Movimentação de roda dianteira
    • N3B5. Eixos
      • N3 Eixo dianteiro
      • N3 Redutor de carcaça e tampas
      • N3 Diferencial e redutor de eixo dianteiro
      • N3 Eixo traseiro e eixo eixos
      • N3 Diferencial e redutor de eixo traseiro
      • N3 Diferencial
    • N3C. Sistema de freio
      • N3 Pedal de freio
      • N3 Componentes da unidade de freio
      • N3 Componentes da unidade de freio BB2103 RHD
      • N3 Unidade de freios hidráulicos
      • N3 Unidade de freios hidráulicos RHD
      • N3 Atuador do regulador de pressão
      • N3 Cilindro de freio principal
      • N3 Cilindro de freio principal RHD BB2103
      • N3 Cilindro de roda do freio traseiro
      • N3 Regulador de pressão de freio
      • N3 Disco de freio de estacionamento
      • N3 Vácuo servo RHD BB2103
      • N3 Freios dianteiros
      • N3 Componentes de freios dianteiros
      • N3 Freios traseiros
    • N3D1. Sistema de direção
      • N3 Direção coluna 2107 SW >>> 02-1997
      • N3 Coluna direção >>> 01-1999
      • N3 Coluna de direção AIRBAG >>> 01-1999
      • N3 Coluna de direção 01-1999 >>>
      • N3 Coluna de direção AIRBAG 01-1999 >>>
      • N3 Redutor de mecanismo de direção
      • N3 Enlace de direção
    • N3D2. Suspensão dianteira
      • N3 Parte superior do braço
      • N3 Parte inferior do braço
      • N3 Suspensão dianteira transversal
      • N3 Absorventes de choque e os eliminadores do balanço
      • N3 Amortecedor dianteiro
    • N3D3. Suspensão traseira
      • N3 Suspensão traseira
      • N3 Absorvente de choque traseiro-suspensão
      • N3 Absorvente de choque traseiro
    • N3D4. Rodas
      • N3 Hubs e direção de knuckles
      • N3 Rodas
    • N3E1. Controle do clima
      • N3 Sistema de aquecimento e ventilação
      • N3 Aquecedor
      • N3 Controle de aquecimento e ventilação
    • N3E2. Arruelas
      • N3 Para-brisas
      • N3 Para-brisas Multipoint
      • N3 Máquina de lavar para-brisas/farol
      • N3 Máquina de lavar para-brisas/farol Multipoint
      • N3 Lavador da porta traseira
      • N3 Limpa para-brisas
      • N3 Limpador traseiro
    • N3K1. Elétrico do motor
      • N3 Sistema de ignição CARB
      • N3 Sistema de ignição, TBI
      • N3 Sistema de ignição MPFI
      • N3 Módulos de controle eletrônico CARB
      • N3 Módulos de controle eletrônico TBI
      • N3 Módulos de controle eletrônico Multipoint
      • N3 Interruptor de ignição
      • N3 Ignição do distribuidor CARB
      • N3 Módulos de ignição, TBI-Multipoint
      • N3 Bateria
      • N3 Acionar o motor e acessórios
      • N3 Motor de manivela
      • N3 Alternador e dispositivos elétricos de CARB
      • N3 Alternador e luminárias TBI-Multipoint
      • N3 Alternador CARB-A
      • N3 Alternador CARB-B
    • N3K2. Sistema de iluminação
      • N3 Luzes dianteiras
      • N3 Ajustador hidráulico do farol
      • N3 Iluminação interior
      • N3 Luzes traseiras
    • N3K3. Acessórios
      • N3 Avisadores
      • N3 Instrumentos e iluminação
      • N3 Interruptores
      • N3 Bloco de fusível e relé
      • N3 Relés
    • N3K4. Cablagens
      • N3 Chicote de fios do compartimento do motor
      • N3 Chicote de fios do painel de instrumentos
      • N3 Acessórios de chicote de fios do fio
    • N3M1. Interior
      • N3 Assentos dianteiros
      • N3 Mecanismo de assentos dianteiros
      • N3 Assento traseiro
      • N3 Isolação térmica e ruído interior
      • N3 Tapetes
      • N3 Guarnição interior
      • N3 Espelhos e acessórios interiores
      • N3 Painel de instrumentos >>> 04-2000
      • N3 Painel de instrumentos 04-2000 >>>
      • N3 Caixa de luva >>> 04-2000
      • N3 Caixa de luva 04-2000 >>>
    • N3M2. Componentes do corpo principal
      • N3 Hood
      • N3 Quadro do underbody
      • N3 Moldura frontal do corpo
      • N3 Lado do corpo e estrutura traseira
      • N3 Painéis de carroçaria
    • N3M3. Portas e janelas
      • N3 Portas da frente
      • N3 Puxadores e fechaduras de porta
      • N3 Porta da frente windows 02-1999 >>>
      • N3 Porta dianteira windows >>> 02-1999
      • N3 Frente janela regulador 02-1999 >>>
      • N3 Janela da frente regulador >>> 02-1999
      • N3 Windows
      • N3 Porta traseira
    • N3M4. Componentes da guarnição
      • N3 Guarnição de radiador
      • N3 Capa e selos CARB
      • N3 Capa e selos TBI-Multipoint
      • N3 Elementos da guarnição
      • N3 Para-choque dianteiro
      • N3 Para-choque traseiro
    • N3TY. Plugues e ferramentas
      • N3 Layout de plugues
      • N3 Ferramentas do motorista
  • LADA-Merchandise

1E1. Ventiladores e lavadores

Página inicial / LADA 2101 - 2102 / 1E1. Ventiladores e lavadores
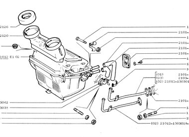
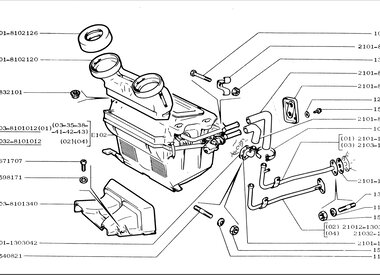
1E101 Ventilacao e sistema de aquecimento
1E101 Ventilacao e sistema de aquecimento 16
1E101 1 Ventilacao e sistema de aquecimento
1E101 1 Ventilacao e sistema de aquecimento 19
1E102 Aquecedor
1E102 Aquecedor 20
1E103 Controlos de ventilacao e aquecimento
1E103 Controlos de ventilacao e aquecimento 16
1E104 Controlos de ventilacao e aquecimento
1E104 Controlos de ventilacao e aquecimento 15
1E107 Lavador de para-brisas
1E107 Lavador de para-brisas 7
1E107 1 Para-brisas e lava-farois
1E107 1 Para-brisas e lava-farois 11
1E107 2 WIndshield lavadora de vidros
1E107 2 WIndshield lavadora de vidros 18


  • Sobre nós
  • Condições de venda
  • Política de cancelamento
  • Política de privacidade
  • Métodos de pagamento
  • Envios
  • Detalhes da empresa e contato
  • Sitemap
  • Todos os produtos
  • Novos produtos
  • Ofertas
  • Etiquetas
  • RSS feed
  • Registar
  • As minhas encomendas
  • Os meus tickets
  • A minha lista de presentes
Original Lada parts, made in Russia
31610919604
[email protected]
Trusted Shops Energy logos

© Copyright 2026 LADA.shop
Bank transfer iDEAL Bancontact Belfius KBC Giropay EPS Cartes Bancaires Visa Maestro MasterCard American Express PayPal Debit or Credit Card