nl
de
en
fr
es
pt
0 Artículos - €0,00
Mi cuenta / Registrarse
Inicio
Repuestos-LADA
Accesorios
Herramientas
Universal
Tornillo
Lampara
Capacete
Abrazadera
Grapa
Coneccion
Llave
Tuerca
Tuerca
Remache
Tornillo
Anillo de empaque
Clavija
Esparrago
Anillo de tope
Arandela
A1. Motor
Suspensión del motor
Mando del árbol de levas
Bielas y pistones
Bloque de cilindros
Carter de aceite y tapas del bloque de cilindros
Mecanismo de distribución de gas
Cigüeñal y volante
A2. Sistema de alimentación de combustible
Depósito de combustible
Tubería de combustible
Sistema de absorción de vapores de gasolina
Instalación de la bomba de combustible
A3. Sistema de alimentación
Mando del acelerador
Filtro de aire
Carburador
Tapa del carburador
Cuerpo de las mariposas del gas
Tornillos de regulación de la marcha de ralentí
Cuerpo del carburador
Sistema de diminución de la toxicidad
Tubuladura de mariposa
A4. Sistema de escape de gases de desecho
Tubo de admisión y colector de escape
Tubos de escape
A5. Sistema de lubricación
Separador del aceite y filtro de aceite
Bomba de aceite y mando
A6. Sistema de refrigeración
Radiador
Bomba de agua y tuberías
Ventilador électrico
B1. Embrague
Mecanismo de mando del embrague
Embrague
Mando del embrague
Cilindro maestro del embrague
Cilindro de mando de desembrague
B2. Caja de cambios
Mando de cambio velocidades
Caja de cambios
Mecanismo de cambio velocidades
Mando del velocimetro
Arbol intermedio de la caja de cambios
Piñones de la marcha atrás
Arboles primario y secundario de la caja de cambios
Engranajes de caja de cambios
B3. Arbol de transmisión
Arbol cardán delantero
Transmisión por cardán
B3. Caja de transferencia
Diferencial de la caja de transferencia
Mando de la caja de transferencia
Caja de transferencia
Piñones de la caja de transferencia
Mecanismo de mando de la caja de transferencia
B4. Puente trasero, semiejes y diferencial
Reductor y diferencial del puente trasero B41
Puente trasero y semiejes
Diferencial
B5. Mando de las ruedas delanteras
Reductor y diferencial del puente delantero
Puente delantero
C. Sistema de frenos
Pastillas y zapatas de freno Lada
Mando del freno de estacionamiento
Frenos delanteros
Suportes de los frenos delanteros
Frenos traseros
Elementos de mando de frenos
Mando de frenos hidráulicos
Cilindro de ruedas del freno trasero
Pedal del freno
Mando del regulador de presión
Cilindro maestro de frenos hidráulicos
D1. Dirección
Mecanismo de dirección
Reductor del mecanismo de dirección
Mando de dirección
D2. Suspensión delantera
Palancas de la suspensión delantera
Amortiguadores y estabilizador trasversal
Suspensión delantera
D3. Suspensión trasera
Suspensión trasera
D4. Ruedas
Manguetas
Ruedas
E1. Calefacción y ventilación
Sistema de ventilación y de calefacción
Calefactor con mando
Calefactor
E2. Lavadores
Lavaparabrisas
Limpialunas
K1. Equipos eléctricos del motor
Equipo electrónico
Distribuidor de encendido
Interruptor de encendido
Batería de acumuladores
Módulo y bujías de encendido
K1. Arrancador con Alternador
Alternador con accesorios
Arrancador
Alternador
K2. Sistema de alumbrado
Faros delanteros
Pilotos traseros
Alumbrado del salón
Alumbrado delantero y corrector hidráulico
K3. Señales, Instrumentos, Interruptores y relé
Interruptores
Señales
Relé
Caja fusibles y relé
Instrumentos
K4. Haz de cables
Haz de cables delanteros
Accesorios de haz de cables
M1. Parte interior de la carrocería
Asiento trasero
Accesorios del salón
Panel de instrumentos
Alfombras
Asientos delanteros
Tapizado del salón
Aislamiento termosonoro
Guantera
M2. Carrocería
Tapa del maletero
Elementos interiores delanteros
Capó
Elementos exteriores
Piso de la carrocería delantero
Piso de la carrocería trasero
Tablero de la delantera
Elementos interiores trasero
Marco del radiador
M3. Puertas y lunas
Cerraduras y manijas de las puertas delanteras
Lunas de las puertas delanteras
Puertas delanteras
Puertas traseras
Lunas de las puertas traseras
Cerraduras y manijas de las puertas traseras
Lunas
Elevalunas de las puertas delanteras
Elevalunas de las puertas traseras
M4. Elementos de revestimiento
Cubrejuntas de revestimiento
Paragolpes delantero
Paragolpes trasero
Revestimiento del radiador
Paneles y las gomas
T. Obturadores
Esquema de instalaición de obturadores
LADA 2101 - 2102
1A1 Motor
1A002 Suspension del motor
1A101 Blocque de cilindros y culata del bloque
1A102 Carter de aceite y tapas del bloque de cilindros
1A103 Ciguenal y volante
1A105 Bielas y pistones
1A105 1 Bielas y pistones
1A106 Accionamiento del arbol de levas
1A107 Mecanismo de distribucion
1A2 Sistema de alimentacion y de combustible
1A201 Deposito de combustible y tuberia
1A201 1 Deposito de combustible y tuberia
1A202 Bomba de combustible y tuberia
1A203 Bomba de combustible
1A204 Carburador y depurador de aire
1A206 Tapa del carburador
1A207 Cuerpo del carburador
1A207 1 Cuerpo del carburador
1A207 2 Cuerpo del carburador
1A207 3 Cuerpo del carburador
1A208 Cuerpo de las mariposas de gas
1A208 1 Cuerpo de las mariposas de gas
1A209 Entreanridor de la mariposa de gas
1A214 Sistema de reduccion de la toxicidad
1A215 Sistema de reduccion de la toxicidad
1A221 Mando del acelerador
1A221 1 Mando del acelerador RHD UK
1A222 Mando del acelerador
1A254 Tubo de admision y colector de escape
1A255 Tubo de admision y colector de escape
1A256 Tubos de escape y silenciosos
1A3 Sistema de engrase del motor
1A301 Sistema de engrase
1A302 Bomba de aceite
1A4 Sistema de refrigeracion del motor
1A401 Radiador
1A402 Bomba de agua y tuberias
1A403 Bomba de agua
1A409 Accionamiento de la bombe de agua
1B1 Embrague
1B101 Mecanismo de mando del embrague
1B101 1 Mecanismo de mando del embrague
1B102 Accionamiento del embrague
1B103 Cilindro principal del embrague
1B104 Cilindro de accionamiento del desembrague
1B105 Embrague
1B2 Caja de cambios
1B201 Caja de cambios
1B204 Arboles de la caja de cambios
1B205 Pinones de cambios
1B207 Accionamiento del cambio de las velocidades
1B210 Mecanismo de cambio de las velocidades
1B224 Accionamiento del velocimetro
1B224 1 Accionamiento del velocimetro
1B3 Arboles cardanicos y acoplamientos
1B301 Transmision cardanica
1B316 Arbol cardanico delantero
1B317 Arbol cardanico posterior
1B4 Puente trasero
1B401 Puente trasero y semiejes
1B404 Engranaje de angulo principal y diferencial
1C1 Frenos
1C101 Pedal del freno y accionamiento
1C101 1 Pedal del freno y accionamiento
1C102 Mecanismo de mando de los frenos
1C102 1 Mecanismo de mando de los frenos
1C103 Sistema de los frenos hidraulicos
1C104 Accionamiento del regulador de la presion
1C106 Cilindro principal de los frenos hidraulicos
1C107 Cilindro de la rueda del freno trasero
1C108 Servo de vacio de los frenos
1C110 Regulador de la presion de los frenos
1C130 Frenos delanteros
1C131 Portafreno delantero
1C132 Frenos traseros
1C135 Mando del freno de mano
1D2 Direccion
1D201 Mecanismo de direccion
1D202 Reductor de la direccion
1D210 Accionamiento de la direccion
1D3 Suspension y ruedas
1D301 Suspension delantera
1D302 Brazos de la suspension delantera
1D303 Amortiguadores y estabilizador transversal
1D305 Suspension trasera
1D305 1 Suspension trasera
1D306 Suspension trasera
1D306 1 Suspension trasera
1D310 Armortiguador de la suspension delantera
1D310 1 Armortiguador de la suspension delantera
1D311 Amortiguador de la supspension trasera
1D311 1 Amortiguador de la supspension trasera
1D314 Mangueta
1D316 Ruedas
1E1. Calefaccion ventilacion y lavacristales
1E101 Sistema de ventilacion y calefaccion
1E101 1 Sistema de ventilacion y calefaccion
1E102 Calefactor
1E103 Mando de la ventilacion y de la calefaccion
1E104 Mando de la ventilacion y de la calefaccion
1E107 Lavaparabrisas
1E107 1 Lvaparabrisas y lavacristales de los faros
1E107 2 Lavaparabrisas
LADA SAMARA
A. Motor
B. Transmision
C. Sistema de frenos
D. Dirección suspensión y ruedas
E. Dispositivos auxiliares
K. Equipos electricos
M. Carroceria
Y. Herramientas
T. Obturadores
LADA 110 SERIES
A. Motor
B. Transmision
C. Sistema de frenos
D. Dirección suspensión y ruedas
E. Dispositivos auxiliares
K. Equipos electricos
M. Carroceria
T. Obturadores
Y. Herramientas
LADA-2107
7A1. Motor
C7 Suspensión del motor
C7 Bloque de cilindros
C7 Culata
C7 Carter de aceite y tapas del bloque de cilindros
C7 Cigüeñal y volante
C7 Bielas y pistones
C7 Mando del árbol de levas
C7 Mecanismo de distribución de gas
7A2. Sistema de alimentación de combustible
C7 Depósito de combustible
C7 Tubería de combustible
C7 Instalación de la bomba de combustible
C7 Sistema de absorción de vapores de gasolina
7A3. Sistema de alimentación
C7 Filtro de aire
C7 Carburador
C7 Tapa del carburador
C7 Cuerpo del carburador
C7 Cuerpo de las mariposas del gas
C7 Tornillos de regulación de la marcha de ralentí
C7 Sistema de diminución de la toxicidad
C7 Mando del acelerador
C7 Sistema de alimentación de aire
C7 Tubuladura de mariposa
7A4. Sistema de escape de gases de desecho
C7 Tubo de admisión y colector de escape
C7 Tubo de admisión
C7 Recipiente
C7 Colector de escape
C7 Tubos de escape R83
C7 Tubos de escape E2
C7 Silenciadores
7A5. Sistema de lubricación
C7 Bomba de aceite y mando
C7 Separador del aceite y filtro de aceite
C7 Bomba de aceite
7A6. Sistema de refrigeración
C7 Radiador
C7 Ventilador électrico
C7 Bomba de agua y tuberías
C7 Tuberías de sistema de refrigeración
C7 Bomba de agua
C7 Mando de la bomda de agua
7B1. Embrague
C7 Mecanismo de mando del embrague
C7 Mando del embrague
C7 Cilindro maestro del embrague
C7 Cilindro de mando de desembrague
C7 Embrague
7B2. Caja de cambios
C7 Caja de cambios
C7 Arboles primario y secundario de la caja de cambios
C7 Arbol intermedio de la caja de cambios
C7 Engranajes de caja de cambios
C7 Piñones de la marcha atrás
C7 Mando de cambio velocidades
C7 Mecanismo de cambio velocidades
C7 Mando del velocimetro
7B3. Arbol de transmisión
C7 Transmisión por cardán
C7 Arbol cardán delantero
C7 Arbol cardán trassero
7B4. Puente trasero, semiejes y diferencial
C7 Puente trasero y semiejes
C7 Reductor y diferencial del puente trasero B410
C7 Diferencial
7C. Sistema de frenos
C7 Pedal del freno
C7 Elementos de mando de frenos
C7 Mando de frenos hidráulicos
C7 Mando del regulador de presión
C7 Cilindro maestro de frenos hidráulicos
C7 Cilindro de ruedas del freno trasero
C7 Mando del freno de estacionamiento
C7 Frenos delanteros
C7 Suportes de los frenos delanteros
C7 Frenos traseros
7D1. Dirección
C7 Mecanismo de dirección
C7 Reductor del mecanismo de dirección
C7 Mando de dirección
7D2. Suspensión delantera
C7 Suspensión delantera
C7 Palancas de la suspensión delantera
C7 Amortiguadores y estabilizador trasversal
7D3. Suspensión trasera
C7 Suspensión trasera
C7 Suspensión trasera D301
7D4. Ruedas
C7 Manguetas
C7 Ruedas
7E1. Calefacción y ventilación
C7 Sistema de ventilación y de calefacción
C7 Calefactor con mando
C7 Calefactor
7E2. Lavadores
C7 Lavaparabrisas
C7 Limpialunas
7K1. Equipos eléctricos del motor
C7 Distribuidor y bobina de encendido
C7 Interruptor de encendido
C7 Distribuidor de encendido
C7 Módulo y bujías de encendido
C7 Batería de acumuladores
7K1. Arrancador con Alternador
C7 Arrancador
C7 Alternador con accesorios
C7 Alternador
7K2. Sistema de alumbrado
C7 Alumbrado delantero y corrector hidráulico
C7 Faros delanteros
C7 Alumbrado del salón
C7 Pilotos traseros
C7 Pilotos traseros
7K3. Señales, Instrumentos, Interruptores y relé
C7 Señales
C7 Instrumentos
C7 Interruptores
C7 Caja fusibles y relé
C7 Relé
7K4. Haz de cables
C7 Haz de cables delanteros
C7 Haz de cables del salón
C7 Accesorios de haz de cables
7M1. Parte interior de la carrocería
C7 Asientos delanteros
C7 Mecanismo de instalación de los asientos delanteros
C7 Aislamiento termosonoro
C7 Alfombras
C7 Tapizado del salón
C7 Revestimiento del maletero
C7 Accesorios del salón
C7 Panel de instrumentos
C7 Guantera
7M2. Carrocería
C7 Capó
C7 Piso de la carrocería delantero
C7 Piso de la carrocería trasero
C7 Elementos interiores delanteros
C7 Tablero de la delantera
C7 Marco del radiador
C7 Guardabarros
C7 Elementos interiores trasero
C7 Elementos exteriores
C7 Tapa del maletero
7M3. Puertas y lunas
C7 Puertas delanteras
C7 Puertas traseras
C7 Cerraduras y manijas de las puertas delanteras
C7 Cerraduras y manijas de las puertas traseras
C7 Lunas de las puertas delanteras
C7 Lunas de las puertas traseras
C7 Elevalunas de las puertas delanteras
C7 Elevalunas de las puertas traseras
C7 Lunas
7M4. Elementos de revestimiento
C7 Revestimiento del radiador
C7 Paneles y las gomas
C7 Cubrejuntas de revestimiento
C7 Paragolpes delantero
C7 Rear bumper
7T. Obturadores
C7 Esquema de instalaición de obturadores
LADA-NIVA
N3A1. Motor
N3 Suspensión del motor
N3 Bloque de cilindros
N3 Culata
N3 Carter de aceite
N3 Cigüeñal y volante 1700
N3 Cigüeñal y volante 1600
N3 Bielas y pistones 1700
N3 Bielas y pistones 1600
N3 Mando del árbol de distribución
N3 Mando del árbol de distribución MPFI
N3 Mecanismo de distribución de gas
N3 Mecanismo de distribución de gas MPFI
N3A2. Sistema de combustible
N3 Depósito de combustible CARB
N3 Depósito de combustible TBI
N3 Depósito de combustible MPFI >>> 10-2003
N3 Depósito de combustible MPFI 10-2003 >>>
N3 Tubería de combustible CARB
N3 Tubería de combustible TBI
N3 Tubería de combustible MPFI
N3 Tubería de combustible MPFI euro-3
N3 Instalación de la bomba de combustible CARB
N3 Sistema de captación de vapores de gasolina CARB
N3 Sistema de captación de vapores de gasolina 1700 CARB
N3 Sistema de captación de vapores de gasolina 1600
N3 Sistema de captación de vapores de gasolina TBI-MPFI
N3 Sistema de captación de vapores de gasolina MPFI
N3A3. Sistema de alimentación
N3 Filtro de aire CARB 2121
N3 Filtro de aire CARB 21213
N3 Filtro de aire CARB >>> 03-1999
N3 Filtro de aire TBI
N3 Filtro de aire MPFI
N3 Carburador 1600
N3 Carburador 1700-1600BRAZIL
N3 Tapa del carburador
N3 Cuerpo del carburador 2
N3 Sistema de diminución de la toxicidad TBI
N3 Mando del acelerador CARB
N3 Mando del acelerador CARB-RHD
N3 Mando del acelerador TBI-MPFI
N3 Mando del acelerador TBI-RHD
N3 Sistema de alimentación de aire MPFI
N3 Tubuladura de mariposa MPFI
N3 Rampa y inyectores MPFI
N3A4. Sistema de escape
N3 Tubo de admisión y colector de escape CARB
N3 Tubo de admisión y colector de escape TBI
N3 Tubo de admisión MPFI
N3 Recipiente MPFI
N3 Colector de escape MPFI
N3 Válvula de recirculación CARB 1600
N3 Válvula de recirculación CARB 1700
N3 Sistema de gestión de recirculación CARB
N3 Sistema de gestión de recirculación CARB 1600
N3 Tubos de escape sin catalizador CARB 1700
N3 Tubos de escape con catalizador 1600
N3 Tubos de escape con catalizador MPFI
N3 Silenciadores
N3A5. Sistema de lubricación
N3 Bomba de aceite y mando
N3 Separador del aceite y filtro de aceite CARB-TBI
N3 Separador del aceite y filtro de aceite MPFI
N3 Bomba de aceite
N3A6. Sistema de refrigeración
N3 Radiador y depósito de expansión CARB
N3 Radiador y depósito de expansión TBI
N3 Radiador y depósito de expansión MPFI
N3 Bomba de agua y tuberÌas
N3 Bomba de agua
N3 Mando de la bomda de agua
N3B1. Embrague
N3 Mecanismo de mando del embrague
N3 Mando de embrague
N3 Cilindro maestro del embrague
N3 Cilindro de mando de desembrague
N3 Embrague 1700
N3 Embrague 1600
N3B2. Caja de cambios
N3 Caja de cambios
N3 Arboles primario y secundario de la caja de cambios
N3 Arbol intermedio de la caja de cambios
N3 Engranajes de caja de cambios
N3 Piñones de la marcha atrás
N3 Mando de cambio velocidades
N3 Mecanismo de cambio velocidades
N3 Mando de velocimetro CARB
N3 Mando de velocimetro TBI-MPFI
N3B3. Caja de transferencia
N3 Caja de transferencia
N3 Caja de transferencia 2
N3 Piñones de la caja de transferencia
N3 Diferencial de la caja de transferencia
N3 Mando de la caja de transferencia
N3 Mecanismo de mando de la caja de transferencia
N3B4. Mando de las ruedas
N3 Mando de la caja de transferencia y puentes
N3 Arbol cardán intermedio
N3 Arboles cardán
N3 Mando de las ruedas delanteras
N3B5. Puentes
N3 Puente delantero
N3 Cuerpo y tapas del reductor
N3 Reductor y diferencial del puente delantero
N3 Puente trasero y semiejes
N3 Reductor y diferencial del puente trasero
N3 Diferencial
N3C. Sistema de frenos
N3 Pedal del freno
N3 Elementos de mando de frenos
N3 Elementos de mando de frenos RHD BB2103
N3 Mando de frenos hidráulicos
N3 Mando de frenos hidráulicos RHD
N3 Mando del regulador de presión
N3 Cilindro maestro de frenos hidráulicos
N3 Cilindro maestro de frenos hidráulicos RHD BB2103
N3 Cilindro de ruedas del freno trasero
N3 Regulador de presión
N3 Mando del freno de estacionamiento
N3 Servofreno de vacío RHD BB2103
N3 Frenos delanteros
N3 Elementos de los frenos delanteros
N3 Frenos traseros
N3D1. Dirección
N3 Columna de dirección 2107 SW >>> 02-1997
N3 Columna de dirección >>> 01-1999
N3 Columna de dirección AIRBAG >>> 01-1999
N3 Columna de dirección 01-1999 >>>
N3 Columna de dirección AIRBAG 01-1999 >>>
N3 Reductor del mecanismo de dirección
N3 Mando de dirección
N3D2. Suspensión delantera
N3 Brazos superiores
N3 Brazos inferiores
N3 Travesaño de suspensión delantera
N3 Amortiguadores y barra estabilizadora trasversal
N3 Amortiguador delantera
N3D3. Suspensión trasera
N3 Suspensión trasera
N3 Suspensión-trasera amortiguador
N3 Amortiguador trasera
N3D4. Ruedas
N3 Manguetas y cubos
N3 Ruedas
N3E1. Climatización
N3 Sistema de ventilación y de calefacción
N3 Calefactor
N3 Comando de ventilación y de calefacción
N3E2. Lavadores
N3 Lavaparabrisas
N3 Lavaparabrisas MPFI
N3 Lavaparabrisas y lavafaros
N3 Lavaparabrisas y lavafaros MPFI
N3 Lavaluneta del portón trasero
N3 Limpiacristales
N3 Limpialuneta trasera
N3K1. Equipos eléctricos del motor
N3 Sistema de encendido CARB
N3 Sistema de encendido TBI
N3 Sistema de encendido MPFI
N3 Equipos electrónicos CARB
N3 Equipos electrónicos TBI
N3 Equipos electrónicos MPFI
N3 Interruptor de encendido
N3 Distribuidor de encendido CARB
N3 Bobina de encendido TBI-MPFI
N3 Batería de acumuladores
N3 Arrancador con armadura
N3 Arrancador
N3 Alternador con accesorios CARB
N3 Alternador con accesorios TBI-MPFI
N3 Alternador CARB-A
N3 Alternador CARB-B
N3K2. Sistema de alumbrado
N3 Alumbrado delantero
N3 Corrector hidráulico de faros
N3 Alumbrado del habitáculo
N3 Luces traseras
N3K3. Accesorios
N3 Señales
N3 Instrumentos y iluminación
N3 Interruptores
N3 Caja fusibles y relé
N3 Relé
N3K4. Mazos de cables
N3 Mazos de cables del compartimiento del motor
N3 Haz de cables del tablero de instrumentos
N3 Accesorios de haz de cables
N3M1. Habitáculo
N3 Asientos delanteros
N3 Mecanismo de instalación de los asientos delanteros
N3 Asiento trasero
N3 Aislamiento térmosonoro del habitáculo
N3 Alfombras
N3 Guarnecido del habitáculo
N3 Accesorios del habitáculo y retrovisores
N3 Tablero de instrumentos >>> 04-2000
N3 Tablero de instrumentos 04-2000 >>>
N3 Guantera >>> 04-2000
N3 Guantera 04-2000 >>>
N3M2. Elementos principales de la carrocerÌa
N3 Capó
N3 Armadura de la base de la carrocería
N3 Armadura del frente
N3 Armadura del lateral y de la parte trasera
N3 Paneles de la carrocería
N3M3. Puertas y lunas
N3 Puertas delanteras
N3 Cerraduras y manijas de las puertas delanteras
N3 Lunas de las puertas delanteras 02-1999 >>>
N3 Lunas de las puertas delanteras >>> 02-1999
N3 Elevalunas delanteras 02-1999 >>>
N3 Elevalunas delanteras >>> 02-1999
N3 Lunas
N3 Portón trasero
N3M4. Elementos de revestimiento
N3 Rejilla del radiador
N3 Paneles y las gomas CARB
N3 Paneles y las gomas TBI-MPFI
N3 Cubrejuntas de revestimiento
N3 Paragolpes delantero
N3 Paragolpes trasero
N3TY. Tapones y Herramientas
N3 Esquema de instalaición de tapones
N3 Herramientas del conductor
LADA-Merchandise
1E1. Calefaccion ventilacion y lavacristales
Inicio
/
LADA 2101 - 2102
/
1E1. Calefaccion ventilacion y lavacristales
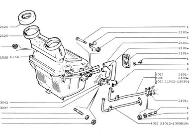
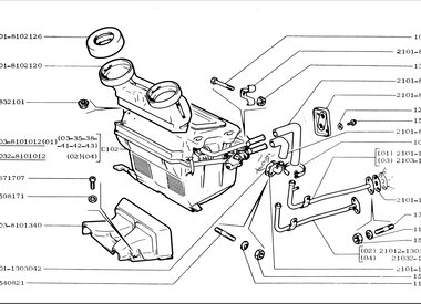
1E101 Sistema de ventilacion y calefaccion
16
1E101 1 Sistema de ventilacion y calefaccion
19
1E102 Calefactor
20
1E103 Mando de la ventilacion y de la calefaccion
16
1E104 Mando de la ventilacion y de la calefaccion
15
1E107 Lavaparabrisas
7
1E107 1 Lvaparabrisas y lavacristales de los faros
11
1E107 2 Lavaparabrisas
18
Utilizando nuestra web aceptas el uso de cookies para ayudarnos a mejorar el funcionamiento de esta página web.
Ocultar este mensaje
Más acerca de las cookies »