nl
de
en
fr
es
pt
0 Artikelen - €0,00
Mijn account / Registreren
Home
LADA-ONDERDELEN
Accessoires
Bestuurder-tools
Universeel
Bouten
Lamp
Kap
Klem
Clip
Connector
Key
Moeren
Plug
Rivet
Schroeven
Dicht ring
Splitpen
Tap-eind
Borg ring
Ring
A1. motor
Montage van de motor
Nokkenas aandrijving
Drijfstangen en zuigers
Cilinderblok
Olie Opvangbakken en blok covers
Kleppen trein
Krukas en vliegwiel
A2. Brandstofsysteem
Brandstoftank
Brandstofleidingen
Controlesysteem van de verdampingsemissie
Brandstof pomp montage
A3. Lucht/brandstof systeem voor energievoorziening
Gaspedaal aandrijving
Schonere lucht
Carburateur
Carburateur deksel
Throttle valve behuizing
Aanpassing schroeven voor stationair lopen
Carburateur lichaam
Emissiebeperkingssysteem
Gaspedaal variëteit
A4. Uitlaat systeem
Inlaat en uitlaat spruitstuk
Uitlaatpijpen
A5. Smeersysteem
Scheidingsteken voor olie en olie reiniger
Oliepomp en haar drive
A6. Koelsysteem
Radiator
Waterpomp en lijnen
Elektrische ventilator
B1. Koppeling
Controlemechanisme van de koppeling
Koppeling
Koppeling schijf
Belangrijkste koppeling cilinder
Koppeling release station cilinder
B2. Versnellingsbak
Gearshifting station
Versnellingsbak
Gearshifting mechanisme
Snelheidsmeter aandrijving reductor
De tussenliggende as versnellingsbak
Achteruitschakeling
Versnellingsbak input en output assen
Versnellingsbak versnellingen
B3. Propeller assen
Voorste propeller shaft
Propeller kardan aandrijving
B3. Transfer case
Transfer case differential
Transfer case control
Transfer case
Transfer case gears
Transfer case control mechanism
B4. Achteras, as schachten en differentieel gear
Achterste as reducer en differentieel
Achteras en as assen
Differentieel
B5. Voorwiel aandrijving
Vooras reducer en differentieel
Vooras
C. remsysteem
Lada remblokken en remschoenen
Parkeren rem station
Remmen voorzijde
Voorste Remmen Remklauwen
Remmen achter
Rem aandrijfcomponenten
Hydraulische remmen schijf
Wiel remcilinder achterzijde
Rempedaal
Druk regelaar actuator
Belangrijkste remcilinder
D1. Stuurinrichting
Stuurinrichting
Stuurinrichting mechanisme reducer
Gestuurde koppeling
D2. Voorwielophanging
Draagarmen voorwielophanging
Schokdempers en sway eliminators
Voorwielophanging
D3. Achtervering
Achtervering
D4. Wielen
Stuurinrichting knuckles
Wielen
E1. Interieur verwarming en ventilatie
Verwarming en ventilatie systeem
Kachel met besturingselementen
Kachel
E2. Wis/was apparatuur
Voorruit wasmechanisme
Ruitenwisser
K1. Motor elektrische apparatuur
Elektronisch gestuurde modules
Ontsteking distributeur
Contactschakelaar
Accu
Ignition module en bougies
K1. Starter motor en Dynamo
Dynamo en bevestiging
Startermotor
Dynamo
K2. Verlichtingssysteem
Koplichten
Achterlichten
Binnenverlichting
Koplamp en verstelling
K3. Knipperlichten, Instrumenten, Schakelaars en Relais
Schakelaars
Knipperlichten
Relais
Blok van de zekering en Relais
Instrumenten
K4. Draad harnassen
Motorruimte draad harnas
Draad harnas accessoires
M1. Interieur
Achterzijde stoel
Interieur accessoires
Instrumentenpaneel
Matten
Voorstoelen
Interieurafwerking
Thermo- en geluid isolatie
Handschoenenkastje
M2. Carrosserie
Kofferbak deksel
Inwendige front onderdelen
Hood
Carrosseriepanelen
Voorste lichaam verdieping
Achterzijde lichaam verdieping
Dash board cowl
Kant van het lichaam en het achter frame
Radiator frame
M3. Deuren en ramen
Voordeur sloten en handgrepen
Voordeur windows
Voordeuren
Achterzijde deuren
Achter deur windows
Achterzijde deursloten en handgrepen
Windows
Venster lifters, voordeuren
Venster lifters, achterdeuren
M4. Trim onderdelen
Trim elementen
Voorbumper
Achterbumper
Radiator bekleding
Cover en afdichtingen
T. Pluggen
Plug lay-out
LADA 2101 - 2102
1A1 Motor
1A002 Motor montage
1A101 Cilinderblok en cilinderkop
1A102 Carter- en cilinderblokdeksels
1A103 Krukas en vliegwiel
1A105 Drijfstangen en zuigers
1A105 1 Drijfstangen en zuigers
1A106 Aandrijving nokkenas
1A107 Klepaandrijving
1A2 Brandstof- en uitlaatsysteem
1A201 Brandstoftank en -leiding
1A201 1 Brandstoftank en -leiding
1A202 Brandstofpomp en -leiding
1A203 Brandstofpomp
1A204 Carburator en luchtfilter
1A206 Carburatordeksel
1A207 Behuizing carburator
1A207 1 Huis van de carburator
1A207 2 Huis van de carburator
1A207 3 Huis van carburator
1A208 Gasklephuis
1A208 1 Gasklepbehuizing
1A209 Gasklep opener
1A214 Toxiciteitscontrolesysteem
1A215 Toxiciteitscontrolesysteem
1A221 Gasklepbedieningen
1A221-1 Gasklepbedieningen RHD UK
1A222 Gasklepbedieningen
1A254 Inlaat- en uitlaatspruitstukken
1A255 Inlaat- en uitlaatspruitstukken
1A256 Uitlaatpijpen en dempers
1A3 Motorsmeersysteem
1A301 Smeersysteem
1A302 Oliepomp
1A4 Motorkoelsysteem
1A401 Radiator
1A402 Waterpomp en leidingen
1A403 Waterpomp
1A409 Aandrijving waterpomp
1B1 Koppeling
1B101 Bedieningsmechanisme koppeling
1B101 1 Koppelingsbedieningsmechanisme
1B102 Leidingen koppelingsbediening
1B103 Hoofdcilinder koppeling
1B104 Koppelingsbedieningscilinder
1B105 Koppeling
1B2 Versnellingsbak
1B201 Versnellingsbak
1B204 Versnellingsbak assen
1B205 Versnellingsbak tandwielen
1B207 Bediening van versnellingsbak
1B210 Schakelmechanisme
1B224 Aandrijving snelheidsmeter
1B224 1 Aandrijving snelheidsmeter
1B3 Propellerassen en koppelingen
1B301 Aandrijving van de schroefas
1B316 Voorste schroefas
1B317 Achterste aandrijfas
1B4 Achteras
1B401 Achteras en assen
1B404 Eindaandrijving en differentieel
1C1 Remmen
1C101 Rempedaal en overbrenging
1C101 1 Rempedaal en remstangen
1C102 Bedieningsmechanisme rem
1C102 1 Mechanisme voor remcontrole
1C103 Hydraulisch remsysteem
1C104 Overbrenging drukregelaar
1C106 Hoofdremcilinder
1C107 Remcilinder achterwiel
1C108 Vacuüm rembekrachtiger
1C110 Remdrukregelaar
1C130 Voorremmen
1C131 Remklauw voorrem
1C132 Achterremmen
1C135 Bedieningsorgaan handrem
1D2 Stuurinrichting
1D201 Stuurmechanisme
1D202 Stuurreductie-eenheid
1D210 Overbrenging van het stuur
1D3 Ophanging en wielen
1D301 Voorwielophanging
1D302 Draagarmen voorwielophanging
1D303 Schokdempers en stabilisator
1D305 Achterophanging
1D305 1 Achterophanging
1D306 Achterwielophanging
1D306 1 Achterophanging
1D310 Voor schokdemper
1D310 1 Schokdemper voor
1D311 Schokdemper achteraan
1D311 1 Achter schokdemper
1D314 Fuseestuur
1D316 Wielen
1E1. Ventilatie verwarming en wisser
1E101 Ventilatie- en verwarmingssysteem
1E101 1 Ventilatie- en verwarmingssysteem
1E102 Verwarming
1E103 Bedieningsorganen voor ventilatie en verwarming
1E104 Bedieningselementen voor ventilatie en verwarming
1E107 Ruitensproeier
1E107 1 Voorruit- en koplampsproeier
1E107 2 Voorruitsproeier
LADA SAMARA
A. Motor
B. Aandrijflijn
C. Remsysteem
D. Stuurinrichting, ophanging en wielen
E. Comfort- en gemaksuitrusting
K. Elektrische uitrusting
M. Carrosserie
Y. Gereedschap
T. Stekkers
LADA 110 SERIES
A. Motor
B. Aandrijflijn
C. Remsysteem
D. Stuurinrichting, ophanging en wielen
E. Comfort- en gemaksuitrusting
K. Elektrische uitrusting
M. Carrosserie
T. Stekkers
Y. Gereedschap
LADA-2107
7A1. motor
C7 Montage van de motor
C7 Cilinderblok
C7 Blok cilinderkop
C7 Olie Opvangbakken en blok covers
C7 Krukas en vliegwiel
C7 Drijfstangen en zuigers
C7 Nokkenas aandrijving
C7 Kleppen trein
7A2. Brandstofsysteem
C7 Brandstoftank
C7 Brandstofleidingen
C7 Brandstof pomp montage
C7 Controlesysteem van de verdampingsemissie
7A3. Lucht-brandstof systeem
C7 Schonere lucht
C7 Carburateur
C7 Carburateur deksel
C7 Carburateur lichaam
C7 Throttle valve behuizing
C7 Aanpassing schroeven voor stationair lopen
C7 Emissiebeperkingssysteem
C7 Gaspedaal aandrijving
C7 Lucht systeem voor energievoorziening
C7 Gaspedaal variëteit
7A4. Uitlaat systeem
C7 Inlaat en uitlaat spruitstuk
C7 Inlaatspruitstuk
C7 Ontvanger
C7 Uitlaatspruitstuk
C7 Uitlaatpijpen R83
C7 Uitlaatpijpen E2
C7 Dempers
7A5. Smeersysteem
C7 Oliepomp en haar drive
C7 Scheidingsteken voor olie en olie reiniger
C7 Oliepomp
7A6. Koelsysteem
C7 Radiator
C7 Elektrische ventilator
C7 Waterpomp en lijnen
C7 Koeling systeem lijnen
C7 Waterpomp
C7 Water pomp station
7B1. Koppeling
C7 Controlemechanisme van de koppeling
C7 Koppeling schijf
C7 Belangrijkste koppeling cilinder
C7 Koppeling release station cilinder
C7 Koppeling
7B2. Versnellingsbak
C7 Versnellingsbak
C7 Versnellingsbak input en output assen
C7 De tussenliggende as versnellingsbak
C7 Versnellingsbak versnellingen
C7 Achteruitschakeling
C7 Gearshifting station
C7 Gearshifting mechanisme
C7 Snelheidsmeter aandrijving reductor
7B3. Propeller assen
C7 Propeller kardan aandrijving
C7 Voorste propeller shaft
C7 Achterzijde propeller shaft
7B4. Achteras, as schachten en differentieel gear
C7 Achteras en as assen
C7 Achterste as reducer en differentieel
C7 Differentieel
7C. remsysteem
C7 Rempedaal
C7 Rem aandrijfcomponenten
C7 Hydraulische remmen schijf
C7 Druk regelaar actuator
C7 Belangrijkste remcilinder
C7 Wiel remcilinder achterzijde
C7 Parkeren rem station
C7 Remmen voorzijde
C7 Voorste Remmen Remklauwen
C7 Remmen achter
7D1. Stuurinrichting
C7 Stuurinrichting
C7 Stuurinrichting mechanisme reducer
C7 Gestuurde koppeling
7D2. Voorwielophanging
C7 Voorwielophanging
C7 Draagarmen voorwielophanging
C7 Schokdempers en sway eliminators
7D3. Achtervering
C7 Achtervering
C7 Achtervering D301
7D4. Wielen
C7 Stuurinrichting knuckles
C7 Wielen
7E1. Interieur verwarming en ventilatie
C7 Verwarming en ventilatie systeem
C7 Kachel met besturingselementen
C7 Kachel
7E2. Wis-was apparatuur
C7 Voorruit wasmechanisme
C7 Ruitenwisser
7K1. Motor elektrische apparatuur
C7 Distributeur en ontsteking spoel
C7 Contactschakelaar
C7 Ontsteking distributeur
C7 Ignition module en bougies
C7 Accu
7K1. Starter motor en Dynamo
C7 Startermotor
C7 Dynamo en bevestiging
C7 Dynamo
7K2. Verlichtingssysteem
C7 Koplamp en verstelling
C7 Koplichten
C7 Binnenverlichting
C7 Achterlichten
C7 Achterlichten
7K3. Knipperlichten, Instrumenten, Schakelaars en Relais
C7 Knipperlichten
C7 Instrumenten
C7 Schakelaars
C7 Blok van de zekering en Relais
C7 Relais
7K4. Draad harnassen
C7 Motorruimte draad harnas
C7 Passagier compartiment draad harnas
C7 Draad harnas accessoires
7M1. Interieur
C7 Voorstoelen
C7 Voorstoelen bijstellingsmechanisme
C7 Thermo en geluid isolatie
C7 Matten
C7 Interieurafwerking
C7 Kofferbak bekleding
C7 Interieur accessoires
C7 Instrumentenpaneel
C7 Handschoenenkastje
7M2. Carrosserie
C7 Hood
C7 Voorste lichaam verdieping
C7 Achterzijde lichaam verdieping
C7 Inwendige front onderdelen
C7 Dash board cowl
C7 Radiator frame
C7 Wielafschermingen splash
C7 Kant van het lichaam en het achter frame
C7 Carrosseriepanelen
C7 Kofferbak deksel
7M3. Deuren en ramen
C7 Voordeuren
C7 Achterzijde deuren
C7 Voordeur sloten en handgrepen
C7 Achterzijde deursloten en handgrepen
C7 Voordeur windows
C7 Achter deur windows
C7 Venster lifters, voordeuren
C7 Venster lifters, achterdeuren
C7 Windows
7M4. Trim onderdelen
C7 Radiator bekleding
C7 Cover en afdichtingen
C7 Trim elementen
C7 Voorbumper
C7 Rear bumper
7T. Pluggen
C7 Plug lay out
LADA-NIVA
N3A1. Motoronderdelen
N3 Ophanging van de motor
N3 Cilinderblok
N3 Blok cilinderkop
N3 Olie Opvangbakken
N3 Krukas en vliegwiel 1700
N3 Krukas en vliegwiel 1600
N3 Drijfstangen en zuigers 1700
N3 Drijfstangen en zuigers 1600
N3 Nokkenas aandrijving
N3 Nokkenas aandrijving MPFI
N3 Kleppen mechanisme
N3 Kleppen mechanisme MPFI
N3A2. Brandstofsysteem
N3 Brandstoftank CARB
N3 Brandstoftank TBI
N3 Brandstoftank MPFI >>> 10-2003
N3 Brandstoftank MPFI 10-2003 >>>
N3 Brandstofleidingen CARB
N3 Brandstofleidingen TBI
N3 Brandstofleidingen MPFI
N3 Brandstofleidingen MPFI euro-3
N3 Brandstofpomp CARB montage
N3 Systeem verdampingsemissie CARB
N3 Systeem verdampingsemissie 1700 CARB
N3 Systeem verdampingsemissie 1600
N3 Systeem verdampingsemissie TBI-MPFI
N3 Systeem verdampingsemissie MPFI
N3A3. Lucht/brandstof systeem voor energievoorziening
N3 Luchtfilter CARB 2121
N3 Luchtfilter CARB 21213
N3 Luchtfilter CARB >>> 03-1999
N3 Luchtfilter TBI
N3 Luchtfilter MPFI
N3 Carburateur 1600
N3 Carburateur 1700-1600BRAZIL
N3 Carburateur deksel
N3 Carburateur huis 2
N3 Emissiebeperkingssysteem TBI
N3 Gaspedaal aandrijving CARB
N3 Gaspedaal aandrijving CARB-RHD
N3 Gaspedaal aandrijving TBI-MPFI
N3 Gaspedaal aandrijving TBI-RHD
N3 Luchtsysteem voor energievoorziening MPFI
N3 Throttle spruitstuk MPFI
N3 Brandstof rail en injectorsMPFI
N3A4. Uitlaat systeem
N3 Inlaat en uitlaat spruitstuk CARB
N3 Inlaat en uitlaat spruitstuk TBI
N3 Inlaat Spruitstuk MPFI
N3 Ontvanger MPFI
N3 Uitlaat spruitstuk MPFI
N3 EGR klep CARB 1600
N3 EGR klep CARB 1700
N3 EGR controlesysteem CARB
N3 EGR controlesysteem CARB 1600
N3 Uitlaatpijpen zonder katalysator CARB 1700
N3 Uitlaatpijpen met katalysator 1600
N3 Uitlaatpijpen met katalysator MPFI
N3 Geluiddempers
N3A5. Smeersysteem
N3 Oliepomp en haar drive
N3 Scheidingsteken olie en olie van schonere CARB-TBI
N3 Scheidingsteken olie en olie van schonere MPFI
N3 Oliepomp
N3A6. Koelsysteem
N3 Radiator en expansie tank CARB
N3 Radiator en expansie tank TBI
N3 Radiator en expansie tank MPFI
N3 Waterpomp en lijnen
N3 Waterpomp
N3 Water pomp station
N3B1. Koppeling
N3 Controlemechanisme van de koppeling
N3 Koppeling schijf
N3 Hoofd koppeling cilinder
N3 Koppeling release cilinder
N3 Koppeling 1700
N3 Koppeling 1600
N3B2. Versnellingsbak
N3 Versnellingsbak
N3 Versnellingsbak input en output assen
N3 De tussenliggende as versnellingsbak
N3 Versnellingsbak versnellingen
N3 Achteruitschakeling
N3 Gearshifting station
N3 Gearshifting mechanisme
N3 Snelheidsmeter aandrijving CARB
N3 Snelheidsmeter aandrijving TBI-MPFI
N3B3. Verdeler aandrijving
N3 Verdeler aandrijving
N3 Verdeler aandrijving 2
N3 Verdeler aandrijving versnellingen
N3 Verdeler aandrijving differentiële
N3 Verdeler aandrijving controle
N3 Verdeler aandrijving controlemechanisme
N3B4. Wielaandrijving
N3 Verdeler aandrijving en assen
N3 Layshaft
N3 Propeller assen
N3 Voorwielaandrijving
N3B5. Assen
N3 Vooras
N3 Reducer huisvesting en covers
N3 Vooras reducer en differentieel
N3 Achteras en as assen
N3 Achterste as reducer en differentieel
N3 Differentieel
N3C. remsysteem
N3 Rempedaal
N3 Rem aandrijfcomponenten
N3 Rem aandrijfcomponenten RHD-BB2103
N3 Hydraulische remmen schijf
N3 Hydraulische remmen schijf RHD
N3 Druk regelaar actuator
N3 Hoofd remcilinder
N3 Hoofd remcilinder RHD-BB2103
N3 Wiel remcilinder achterzijde
N3 Remdrukregelaar
N3 Parkeren rem station
N3 Vacuum-servo RHD-BB2103
N3 Remmen voorzijde
N3 Voorste remmen onderdelen
N3 Remmen achter
N3D1. Stuurinrichting
N3 Stuur kolom 2107 SW >>> 02-1997
N3 Stuur kolom >>> 01-1999
N3 Stuurkolom AIRBAG >>> 01-1999
N3 Stuurkolom 01-1999 >>>
N3 Stuurkolom AIRBAG 01-1999 >>>
N3 Stuurinrichting mechanisme reducer
N3 Gestuurde koppeling
N3D2. Voorwielophanging
N3 Bovenarmen
N3 Onderste armen
N3 Voorwielophanging kruis-lid
N3 Schokdempers en stabilizatorstang
N3 Schokdempers voorzijde
N3D3. Achterwielophanging
N3 Achtervering
N3 Achtervering schokdemper
N3 Schokdemper achter
N3D4. Wielen
N3 Stuurinrichting knokkels en hubs
N3 Wielen
N3E1. Klimaatcontrole
N3 Verwarming en ventilatie systeem
N3 Kachel
N3 Verwarming en ventilatie
N3E2. Sluitringen
N3 Voorruit wasmechanisme
N3 Voorruit wasmechanisme MPFI
N3 Voorruit/koplamp wasmechanisme
N3 Voorruit/koplamp wasmechanisme MPFI
N3 Wasmechanisme van de achterklep
N3 Ruitenwissers
N3 Achter ruitenwisser
N3K1. Motor elektrische apparatuur
N3 Ontstekingssysteem CARB
N3 Ontstekingssysteem TBI
N3 Ontstekingssysteem MPFI
N3 Elektronisch gestuurde modules CARB
N3 Elektronisch gestuurde modules TBI
N3 Elektronisch gestuurde modules MPFI
N3 Contactschakelaar
N3 Distributeur ontsteking CARB
N3 Ontsteking modules TBI-MPFI
N3 Batterij
N3 Startmotor en toebehoren
N3 Startmotor
N3 Dynamo en armaturen CARB
N3 Dynamo en armaturen TBI-MPFI
N3 Dynamo CARB-A
N3 Dynamo CARB-B
N3K2. Verlichtingssysteem
N3 Koplampen
N3 Hydraulische koplamp afstelling
N3 Binnenverlichting
N3 Achterlichten
N3K3. Accessoires
N3 Knipperlichten
N3 Instrumenten en achtergrondverlichting
N3 Schakelaars
N3 Blok van de zekering en Relais
N3 Relais
N3K4. Draad harnassen
N3 Motorruimte draad harnas
N3 Instrumentenpaneel draad harnas
N3 Draad harnas accessoires
N3M1. Interieur
N3 Voorstoelen
N3 Voorstoelen mechanisme
N3 Achterzijde stoel
N3 Interieur warmte en geluid isolatie
N3 Matten
N3 Interieurafwerking
N3 Interieur accessoires en spiegels
N3 Instrumentenpaneel >>> 04-2000
N3 Instrumentenpaneel 04-2000 >>>
N3 Dashboardkastje >>> 04-2000
N3 Dashboardkastje 04-2000 >>>
N3M2. Carrosserie onderdelen
N3 Motorkap
N3 Bodemplaat frame
N3 Lichaam voorste frame
N3 Kant van het lichaam en het achter frame
N3 Carrosseriepanelen
N3M3. Deuren en ramen
N3 Voordeuren
N3 Voordeur sloten en handgrepen
N3 Voordeur windows 02-1999 >>>
N3 Voordeur windows >>> 02-1999
N3 Voorste venster regulator 02-1999 >>>
N3 Voorste venster regulator >>> 02-1999
N3 Windows
N3 Achterklep
N3M4. Trim onderdelen
N3 Radiator bekleding
N3 Dekking en afdichting CARB
N3 Dekking en afdichting TBI-MPFI
N3 Trim elementen
N3 Voorbumper
N3 Achterbumper
N3TY. Pluggen en tools
N3 Plug lay-out
N3 Chauffeur-tools
LADA-Merchandise
1E1. Ventilatie verwarming en wisser
Home
/
LADA 2101 - 2102
/
1E1. Ventilatie verwarming en wisser
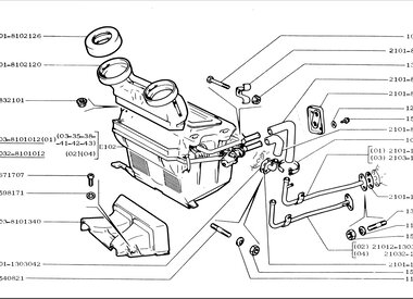
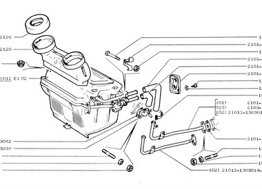
1E101 Ventilatie- en verwarmingssysteem
16
1E101 1 Ventilatie- en verwarmingssysteem
19
1E102 Verwarming
20
1E103 Bedieningsorganen voor ventilatie en verwarming
16
1E104 Bedieningselementen voor ventilatie en verwarming
15
1E107 Ruitensproeier
7
1E107 1 Voorruit- en koplampsproeier
11
1E107 2 Voorruitsproeier
18