nl
de
en
fr
es
pt
0 Items - €0,00
My account / Register
Home
LADA-PARTS
Accessoires
Tools
Universal
Bolt
Bulb
Cap
Clamp
Clip
Connector
Key
Nut
Plug
Rivet
Screw
Sealing ring
Split pin
Stud
Thrust ring
Washer
A1. Engine
Engine mounting
Camshaft drive
Connecting rods and pistons
Cylinder block
Oil sump and block covers
Valve train
Crankshaft and flywheel
A2. Fuel supply system
Fuel tank
Fuel lines
Evaporative emission control system
Fuel pump mounting
A3. Air/fuel supply system
Throttle drive unit
Air cleaner
Carburetor
Carburetor cover
Throttle valve casing
Adjustment screws for idle running
Carburetor body
Emission control system
Throttle manifold
A4. Exhaust system
Intake and exhaust manifold
Exhaust pipes
A5. Lubrication system
Oil separator and oil cleaner
Oil pump and its drive
A6. Cooling system
Radiator
Water pump and lines
Electric fan
B1. Clutch
Clutch control mechanism
Clutch
Clutch drive
Main clutch cylinder
Clutch release drive cylinder
B2. Gearbox
Gearshifting drive
Gearbox
Gearshifting mechanism
Speedometer drive gear unit
Gearbox intermediate shaft
Reverse gears
Gearbox input and output shafts
Gearbox gears
B3. Propeller shafts
Front propeller shaft
Propeller shaft drive
B3. Transfer case
Transfer case differential
Transfer case control
Transfer case
Transfer case gears
Transfer case control mechanism
B4. Rear axle, axle shafts and differential gear
Rear axle reducer and differential
Rear axle and axle shafts
Differential
B5. Front wheel drive
Front axle reducer and differential
Front axle
C. Brake system
Lada brake pads and brake shoes
Parking brake drive
Front brakes
Front brakes calipers
Rear brakes
Brake drive components
Hydraulic brakes drive
Rear brake wheel cylinder
Brake pedal
Pressure regulator actuator
Main brake cylinder
D1. Steering system
Steering mechanism
Steering mechanism reducer
Steering linkage
D2. Front suspension
Front suspension wishbones
Shock absorbers and sway eliminators
Front suspension
D3. Rear suspension
Rear suspension
D4. Wheels
Steering knuckles
Wheels
E1. Interior heating and ventilation
Heating and ventilation system
Heater with controls
Heater
E2. Washers
Windscreen washer
Wiper
K1. Engine electrical equipment
Electronic control modules
Ignition distributor
Ignition switch
Battery
Ignition module and spark plugs
K1. Crank motor and Alternator
Alternator and fixtures
Crankmotor
Alternator
K2. Lighting system
Headlamps
Rear lights
Interior lighting
Headlight lamp and hydraulic beam adjuster
K3. Tell-tales, Instruments, Switches and relay
Switches
Tell-tales
Relays
Fuse block and relay
Instruments
K4. Wire harnesses
Engine bay wire harness
Wire harness accessories
M1. Body interior
Rear seat
Interior accessories
Instrument panel
Mats
Front seats
Interior trim
Thermo- and noise insulation
Glove box
M2. Body
Trunk lid
Interior front components
Hood
Body panels
Front body floor
Rear body floor
Dash board cowl
Body side and rear frame
Radiator frame
M3. Doors and windows
Front door locks and handles
Front door windows
Front doors
Rear doors
Rear door windows
Rear door locks and handles
Windows
Window lifters, front doors
Window lifters, rear doors
M4. Trim components
Trim elements
Front bumper
Rear bumper
Radiator trim
Cover and seals
T. Plugs
Plug Layout
Y. Tools
Driver’s tools
LADA 2101 - 2102
1A1 Engine
1A002 Engine mounting
1A101 Cylinder block and head
1A102 Oil sump and cylinder block covers
1A103 Crankshaft and flywheel
1A105 Connecting rods and pistons
1A105 1 Connecting rods and pistons
1A106 Camshaft drive
1A107 Valve gear
1A2 Fuel and exhaust system
1A201 Fuel tank and line
1A201 1 Fuel tank and line
1A202 Fuel pump and line
1A203 Fuel pump
1A204 Carburettor and air cleaner
1A206 Carburettor cover
1A207 Carburettor casing
1A207 1 Carburettor casing
1A207 2 Carburettor casing
1A207 3 Carburettor casing
1A208 Throttle valve casing
1A208 1 Throttle valve casing
1A209 Throttle opener
1A214 Toxicity control system
1A215 Toxicity control system
1A221 Throttle controls
1A221 1 Throttle controls RHD UK
1A222 Throttle controls
1A254 Inlet and exhaust manifolds
1A255 Inlet and exhaust manifolds
1A256 Exhaust pipes and mufflers
1A3 Engine lubricating system
1A301 Lubricating system
1A302 Oil pump
1A4 Engine cooling system
1A401 Radiator
1A402 Water pump and piping
1A403 Water pump
1A409 Water pump drive
1B1 Clutch
1B101 Clutch control mechanism
1B101 1 Clutch control mechanism
1B102 Clutch control piping
1B103 Clutch master cylinder
1B104 Clutch operating cylinder
1B105 Clutch
1B2 Gearbox
1B201 Gearbox
1B204 Gearbox shafts
1B205 Gearbox gears
1B207 Gearshift control
1B210 Gearshiftmechanism
1B224 Speedometer drive
1B224 1 Speedometer drive
1B3 Propeller shafts and couplings
1B301 Propeller shaft drive
1B316 Front propeller shaft
1B317 Rear propeller shaft
1B4 Rear axle
1B401 Rear axle and shafts
1B404 Final drive and differential
1C1 Brakes
1C101 Brake pedal and linkage
1C101 1 Brake pedal and linkage
1C102 Brake control mechanism
1C102 1 Brake control mechanism
1C103 Hydraulic brake system
1C104 Pressure regulator linkage
1C106 Brake master cylinder
1C107 Rear wheel brake cylinder
1C108 Vacuum brake booster
1C110 Brake pressure regulator
1C130 Front brakes
1C131 Front brake caliper
1C132 Rear brakes
1C135 Hand brake control linkage
1D2 Steering gear
1D201 Steering mechanism
1D202 Steering reduction unit
1D210 Steering linkage
1D3 Suspension and wheels
1D301 Front suspension
1D302 Front suspension wishbones
1D303 Shock absorbers and sway eliminator
1D305 Rear suspension
1D305 1 Rear suspension
1D306 Rear suspension
1D306 1 Rear suspension
1D310 Front shock absorber
1D310 1 Front shock absorber
1D311 Rear shock absorber
1D311 1 Rear shock absorber
1D314 Steering knuckle
1D316 Wheels
1E1. Heating ventilation and washing
1E101 Ventilation and heating system
1E101 1 Ventilation and heating system
1E102 Heater
1E103 Ventilation und heating controls
1E104 Ventilation und heating controls
1E107 Windshield washer
1E107 1 Windshield and headlamp washer
1E107 2 WIndshield washer
LADA SAMARA
A. Engine
B. Power train
C. Brake system
D. Steering system suspension and wheels
E. Comfort and convenience equipment
K. Electrical equipment
M. Body
Y. Tools
T. Plugs
LADA 110 SERIES
A. Engine
B. Power train
C. Brake system
D. Steering system suspension and wheels
E. Comfort and convenience equipment
K. Electrical equipment
M. Body
T. Plugs
Y. Tools
LADA-2107
7A1. Engine
C7 Engine mounting
C7 Cylinder block
C7 Cylinder block head
C7 Oil sump and block covers
C7 Crankshaft and flywheel
C7 Connecting rods and pistons
C7 Camshaft drive
C7 Valve train
7A2. Fuel supply system
C7 Fuel tank
C7 Fuel lines
C7 Fuel pump mounting
C7 Evaporative emission control system
7A3. Air/fuel supply system
C7 Air cleaner
C7 Carburetor
C7 Carburetor cover
C7 Carburetor body
C7 Throttle valve casing
C7 Adjustment screws for idle running
C7 Emission control system
C7 Throttle drive unit
C7 Air supply system
C7 Throttle manifold
C7 Fuel rail, injectors and pressure regulator
7A4. Exhaust system
C7 Intake and exhaust manifold
C7 Intake manifold
C7 Receiver
C7 Exhaust manifold
C7 Exhaust pipes R83
C7 Exhaust pipes E2
C7 Mufflers
7A5. Lubrication system
C7 Oil pump and its drive
C7 Oil separator and oil cleaner
C7 Oil pump
7A6. Cooling system
C7 Radiator
C7 Electric fan
C7 Water pump and lines
C7 Cooling system lines
C7 Water pump
C7 Water pump drive
7B1. Clutch
C7 Clutch control mechanism
C7 Clutch drive
C7 Main clutch cylinder
C7 Clutch release drive cylinder
C7 Clutch
7B2. Gearbox
C7 Gearbox
C7 Gearbox input and output shafts
C7 Gearbox intermediate shaft
C7 Gearbox gears
C7 Reverse gears
C7 Gearshifting drive
C7 Gearshifting mechanism
C7 Speedometer drive gear unit
7B3. Propeller shafts
C7 Propeller shaft drive
C7 Front propeller shaft
C7 Rear propeller shaft
7B4. Rear axle, axle shafts and differential gear
C7 Rear axle and axle shafts
C7 Rear axle reducer and differential
C7 Differential
7C. Brake system
C7 Brake pedal
C7 Brake drive components
C7 Hydraulic brakes drive
C7 Pressure regulator actuator
C7 Main brake cylinder
C7 Rear brake wheel cylinder
C7 Parking brake drive
C7 Front brakes
C7 Front brakes calipers
C7 Rear brakes
7D1. Steering system
C7 Steering mechanism
C7 Steering mechanism reducer
C7 Steering linkage
7D2. Front suspension
C7 Front suspension
C7 Front suspension wishbones
C7 Shock absorbers and sway eliminators
7D3. Rear suspension
C7 Rear suspension
C7 Rear suspension D301
7D4. Wheels
C7 Steering knuckles
C7 Wheels
7E1. Interior heating and ventilation
C7 Heating and ventilation system
C7 Heater with controls
C7 Heater
7E2. Washers
C7 Windscreen washer
C7 Wiper
7K1. Engine electrical equipment
C7 Distributor and ignition coil
C7 Electronic control modules
C7 Ignition switch
C7 Ignition distributor
C7 Ignition module and spark plugs
C7 Battery
7K1. Crank motor and Alternator
C7 Crank motor and accessories
C7 Crankmotor
C7 Alternator and fixtures
C7 Alternator
7K2. Lighting system
C7 Headlight lamp and hydraulic beam adjuster
C7 Headlamps
C7 Interior lighting
C7 Rear lights
C7 Tail lights
7K3. Tell tales, Instruments, Switches and relay
C7 Tell tales
C7 Instruments
C7 Switches
C7 Fuse block and relay
C7 Relays
7K4. Wire harnesses
C7 Engine bay wire harness
C7 Passenger compartment wire harness
C7 Wire harness accessories
7M1. Body interior
C7 Front seats
C7 Front seats adjustment mechanism
C7 Thermo and noise insulation
C7 Mats
C7 Interior trim
C7 Trunk lining
C7 Interior accessories
C7 Instrument panel
C7 Glove box
7M2. Body
C7 Hood
C7 Front body floor
C7 Rear body floor
C7 Interior front components
C7 Dash board cowl
C7 Radiator frame
C7 Wheel splash guards
C7 Body side and rear frame
C7 Body panels
C7 Trunk lid
7M3. Doors and windows
C7 Front doors
C7 Rear doors
C7 Front door locks and handles
C7 Rear door locks and handles
C7 Front door windows
C7 Rear door windows
C7 Window lifters, front doors
C7 Window lifters, rear doors
C7 Windows
7M4. Trim components
C7 Radiator trim
C7 Cover and seals
C7 Trim elements
C7 Front bumper
C7 Rear bumper
7T. Plugs
C7 Plug Layout
LADA-NIVA
N3A1. Engine
N3 Engine mounting
N3 Cylinder block
N3 Cylinder block head
N3 Oil sump
N3 Crankshaft and flywheel 1700
N3 Crankshaft and flywheel 1600
N3 Connecting rods and pistons 1700
N3 Connecting rods and pistons 1600
N3 Camshaft drive
N3 Camshaft drive MPFI
N3 Valve train
N3 Valve train MPFI
N3A2. Fuel supply system
N3 Fuel tank CARB
N3 Fuel tank TBI
N3 Fuel tank MPFI >>> 10-2003
N3 Fuel tank MPFI 10-2003 >>>
N3 Fuel lines CARB
N3 Fuel lines TBI
N3 Fuel lines MPFI
N3 Fuel lines MPFI euro-3
N3 Fuel pump mounting CARB
N3 Evaporative emission control system CARB
N3 Evaporative emission control system 1700 CARB
N3 Evaporative emission control system 1600
N3 Evaporative emission control system TBI-MPFI
N3 Evaporative emission control system MPFI
N3A3. Air/fuel supply system
N3 Air cleaner CARB 2121
N3 Air cleaner CARB 21213
N3 Air cleaner CARB >>> 03-1999
N3 Air cleaner TBI
N3 Air cleaner MPFI
N3 Carburetor 1600
N3 Carburetor 1700-1600BRAZIL
N3 Carburetor cover
N3 Carburetor body 2
N3 Emission control system TBI
N3 Throttle drive unit CARB
N3 Throttle drive unit CARB-RHD
N3 Throttle drive unit TBI-MPFI
N3 Throttle drive unit TBI-RHD
N3 Air supply system MPFI
N3 Throttle manifold MPFI
N3 Fuel rail and injectorsMPFI
N3A4. Exhaust system
N3 Intake and exhaust manifold CARB
N3 Intake and exhaust manifold TBI
N3 Intake manifold MPFI
N3 Receiver MPFI
N3 Exhaust manifold MPFI
N3 EGR valve CARB 1600
N3 EGR valve CARB 1700
N3 EGR control system CARB
N3 EGR control system CARB 1600
N3 Exhaust pipes without catalytic converter CARB 1700
N3 Exhaust pipes with catalytic converter 1600
N3 Exhaust pipes with catalytic converter MPFI
N3 Silencers
N3A5. Lubrication system
N3 Oil pump and its drive
N3 Oil separator and oil cleaner CARB-TBI
N3 Oil separator and oil cleaner MPFI
N3 Oil pump
N3A6. Cooling system
N3 Radiator and expansion tank CARB
N3 Radiator and expansion tank TBI
N3 Radiator and expansion tank MPFI
N3 Water pump and lines
N3 Water pump
N3 Water pump drive
N3B1. Clutch
N3 Clutch control mechanism
N3 Clutch drive
N3 Main clutch cylinder
N3 Clutch release drive cylinder
N3 Clutch 1700
N3 Clutch 1600
N3B2. Gearbox
N3 Gearbox
N3 Gearbox input and output shafts
N3 Gearbox intermediate shaft
N3 Gearbox gears
N3 Reverse gears
N3 Gearshifting drive
N3 Gearshifting mechanism
N3 Speedometer drive CARB
N3 Speedometer drive TBI-MPFI
N3B3. Transfer case
N3 Transfer case
N3 Transfer case 2
N3 Transfer case gears
N3 Transfer case differential
N3 Transfer case control
N3 Transfer case control mechanism
N3B4. Wheel drive
N3 Transfer case and axle drive
N3 Layshaft
N3 Propeller shafts
N3 Front wheel drive
N3B5. Axles
N3 Front axle
N3 Reducer housing and covers
N3 Front axle reducer and differential
N3 Rear axle and axle shafts
N3 Rear axle reducer and differential
N3 Differential
N3C. Brake system
N3 Brake pedal
N3 Brake drive components
N3 Brake drive components RHD BB2103
N3 Hydraulic brakes drive
N3 Hydraulic brakes drive RHD
N3 Pressure regulator actuator
N3 Main brake cylinder
N3 Main brake cylinder RHD BB2103
N3 Rear brake wheel cylinder
N3 Pressure regulator
N3 Parking brake drive
N3 Vacuum servo RHD BB2103
N3 Front brakes
N3 Front brakes components
N3 Rear brakes
N3D1. Steering system
N3 Steering column 2107 SW >>> 02-1997
N3 Steering column >>> 01-1999
N3 Steering column AIRBAG >>> 01-1999
N3 Steering column 01-1999 >>>
N3 Steering column AIRBAG 01-1999 >>>
N3 Steering mechanism reducer
N3 Steering linkage
N3D2. Front suspension
N3 Upper arms
N3 Lower arms
N3 Front suspension cross-member
N3 Shock absorbers and sway eliminators
N3 Shock absorber front
N3D3. Rear suspension
N3 Rear suspension
N3 Rear-suspension shock absorber
N3 Shock absorber rear
N3D4. Wheels
N3 Steering knuckles and hubs
N3 Wheels
N3E1. Climate control
N3 Heating and ventilation system
N3 Heater
N3 Heating and ventilation control
N3E2. Washers
N3 Windscreen washer
N3 Windscreen washer MPFI
N3 Windscreen/headlight washer
N3 Windscreen/headlight washer MPFI
N3 Tailgate window washer
N3 Wipers
N3 Rear wiper
N3K1. Engine electrical equipment
N3 Ignition system CARB
N3 Ignition system TBI
N3 Ignition system MPFI
N3 Electronic control modules CARB
N3 Electronic control modules TBI
N3 Electronic control modules MPFI
N3 Ignition switch
N3 Distributor ignition CARB
N3 Ignition modules TBI-MPFI
N3 Battery
N3 Crank motor and accessories
N3 Crank motor
N3 Alternator and fixtures CARB
N3 Alternator and fixtures TBI-MPFI
N3 Alternator CARB-A
N3 Alternator CARB-B
N3K2. Lighting system
N3 Front lights
N3 Hydraulic headlight adjuster
N3 Interior lighting
N3 Rear lights
N3K3. Accessories
N3 Tell-tales
N3 Instruments and backlighting
N3 Switches
N3 Fuse block and relay
N3 Relays
N3K4. Wire harnesses
N3 Engine bay wire harness
N3 Instrument panel wire harness
N3 Wire harness accessories
N3M1. Body interior
N3 Front seats
N3 Front seats adjustment mechanism
N3 Rear seat
N3 Interior thermal and noise insulation
N3 Mats
N3 Interior trim
N3 Interior accessories and mirrors
N3 Instrument panel >>> 04-2000
N3 Instrument panel 04-2000 >>>
N3 Glove box >>> 04-2000
N3 Glove box 04-2000 >>>
N3M2. Main body components
N3 Hood
N3 Underbody frame
N3 Body front frame
N3 Body side and rear frame
N3 Body panels
N3M3. Doors and windows
N3 Front doors
N3 Front door locks and handles
N3 Front door windows 02-1999 >>>
N3 Front door windows >>> 02-1999
N3 Front window regulator 02-1999 >>>
N3 Front window regulator >>> 02-1999
N3 Windows
N3 Tailgate
N3M4. Trim components
N3 Radiator trim
N3 Cover and seals CARB
N3 Cover and seals TBI-MPFI
N3 Trim elements
N3 Front bumper
N3 Rear bumper
N3TY. Plugs and Tools
N3 Plug Layout
N3 Driver's tools
LADA-Merchandise
21032-1303027, Return hose 350 mm RHD
Home
/
21032-1303027, Return hose 350 mm RHD
€2,43
* Price excl. VAT: €2,01 / piece
* Incl. tax Excl.
Shipping costs
+
-
Add to cart
Information
Article number:
15558
Availability:
In stock
no: 10
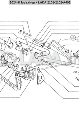
2107-a610
water-pump-and-lines
Add your review
0
stars based on
0
reviews
21032-1303027
/
Lada
/
LINES
/
PUMP
/
WATER
/
Original LADA
Add to wishlist
/
Add to comparison
/
Print
Excl.
Shipping costs
By using our website, you agree to the usage of cookies to help us make this website better.
Hide this message
More on cookies »